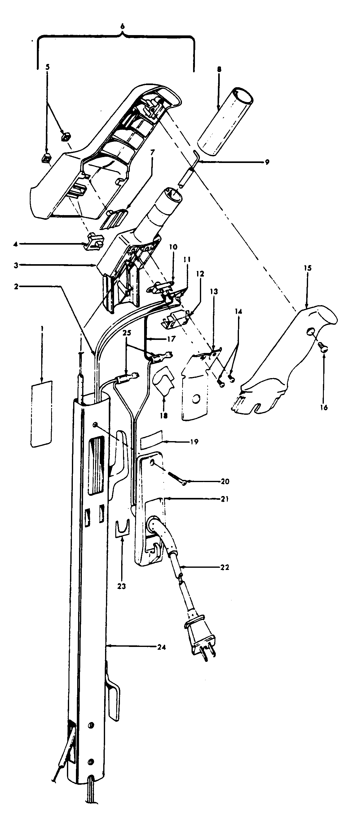
U3341900 03 – HANDLE