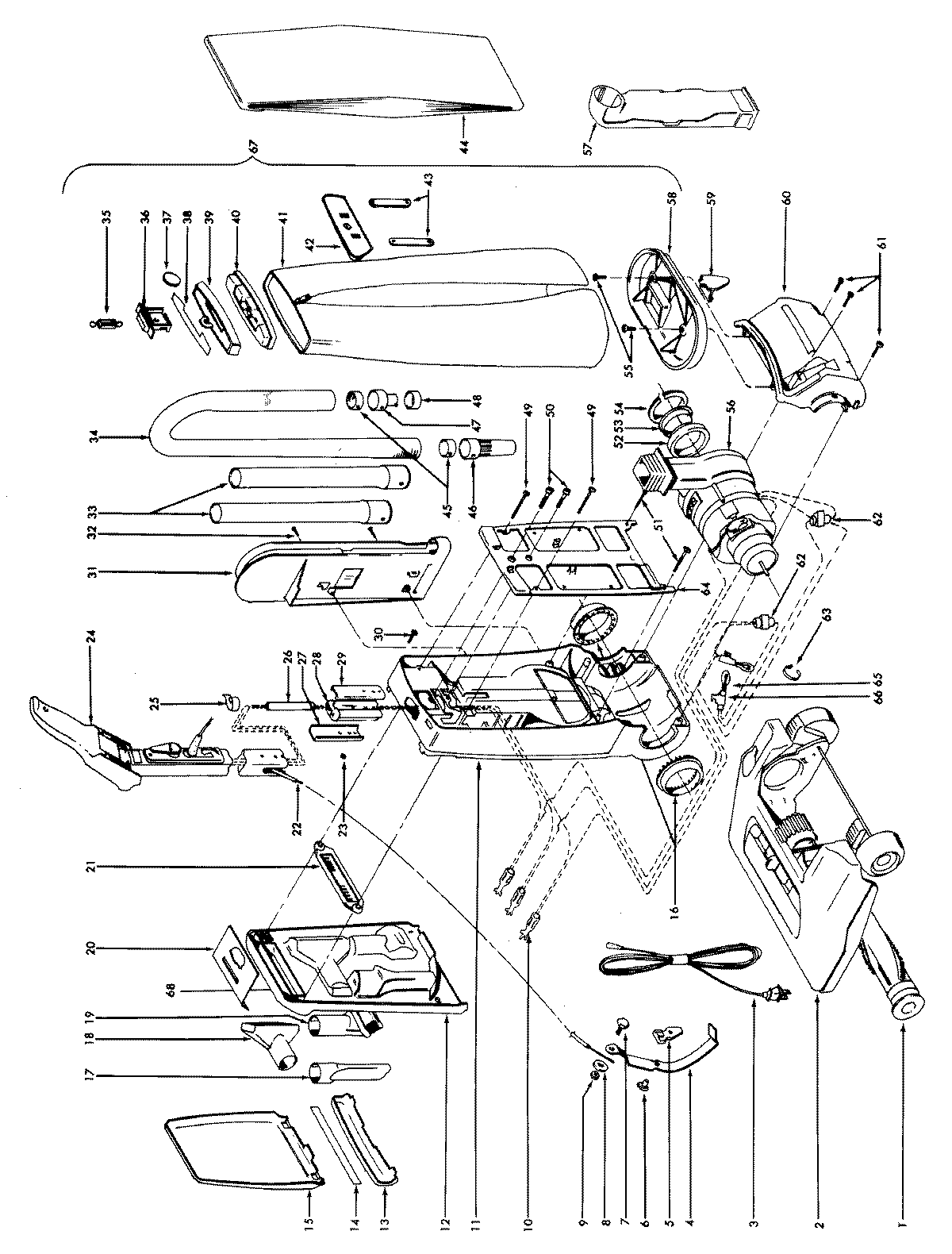
U3737910 02 – CLEANINGTOOLS, OUTERBAG, HOODadmin2025-04-26T08:50:36+00:00U3737910 02 – CLEANINGTOOLS, OUTERBAG, HOOD ProductsPositionProduct1MAY 484140131MAY 484140191MAY 484160093MAY 463833154MAY 431430965MAY 385110276MAY 160079AW7MAY 160058--8MAY 160059--9MAY 2164162310MAY 012227--11MAY 4225304811MAY 4225308512MAY 3725408212MAY 3725408113MAY 4811100614MAY 5163804615MAY 3725700316MAY 3851100217MAY 3861702418MAY 3861402919MAY 4341414520MAY 3795100621MAY 3512300122MAY 4321101023MAY 168278AY26MAY 3173500727MAY 3515200828MAY 3691301629MAY 3515201130MAY 2125400831MAY 3643309032MAY 2144721733MAY 4345201033MAY 3863407834MAY 4343408835MAY 3833400236MAY 3511100237MAY 5736300238MAY 5163910439MAY 3795908539MAY 3795908440MAY 3795909540MAY 3795909041NOT REQUIRED PART OR SEE NOTE FUSE (NOT REQUIRED)42MAY 3642503743MAY 3613105044MAY 4010100A45MAY 3611601446MAY 3228801147MAY 3237700448MAY 3117801349MAY 2144702550MAY 2156300151MAY 2144701952MAY 3217501153MAY 3215600754MAY 3215500655MAY 2144701256MAY 4357607457MAY 3865701058MAY 3642500859MAY 3944204060MAY 3719509860MAY 3719509961MAY 2144701362MAY 2761710363MAY 2747930764MAY 3725709265MAY 2731310166MAY 4717600167MAY 4367732367MAY 4367735168MAY 5211518068MAY 5211519469MAY 2131270569MAY 5651137069MAY 5834101069MAY 5826800269MAY 5651137169MAY 5824900469MAY 012097AW69MAY 5821101369MAY 019555--69MAY 5651102469MAY 2144700369MAY 3416100869MAY 3412401169MAY 3132200169MAY 170975--69MAY 58385015