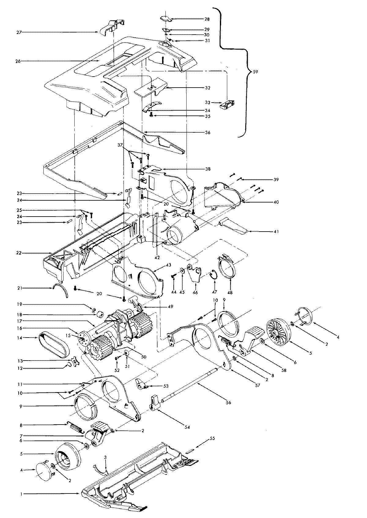
U3745930 04 – MAINBODYadmin2025-04-26T08:50:36+00:00U3745930 04 – MAINBODY ProductsPositionProduct1MAY 372450872MAY 013730--3MAY 387810064MAY 379120135MAY 385220296MAY 213127727MAY 384520878MAY 383350149MAY 3215500410MAY 017001FW11MAY 3547601212MAY 160014--13MAY 160040AY14MAY 160147AG15MAY 160031--16MAY 3853700117MAY 4312401318MAY 3114201419MAY 163699--20MAY 2144701421MAY 012173--22MAY 4224612623MAY 3152201624MAY 3478800125MAY 2144721726MAY 5211517926MAY 5211519527MAY 3842108227MAY 3842108327MAY 3842108127MAY 3842108028MAY 3725716528MAY 3725716628MAY 3725716728MAY 3725716829MAY 3878405730MAY 2136200631MAY 3835101632MAY 3856301833MAY 3513100134MAY 3475100236MAY 3623508237MAY 2144720338MAY 3547602740MAY 3871500241MAY 3871800642MAY 3451300643MAY 3547601644MAY 2144722945MAY 2131280146MAY 3856700647MAY 3613200148MAY 3856301749MAY 3856201350MAY 163340AG51MAY 3276100352MAY 2147978253MAY 3856201054MAY 3845204855MAY 3412201956MAY 3254700257MAY 4196700458MAY 3845208859MAY 4225231059MAY 4225231159MAY 4225231259MAY 42252313