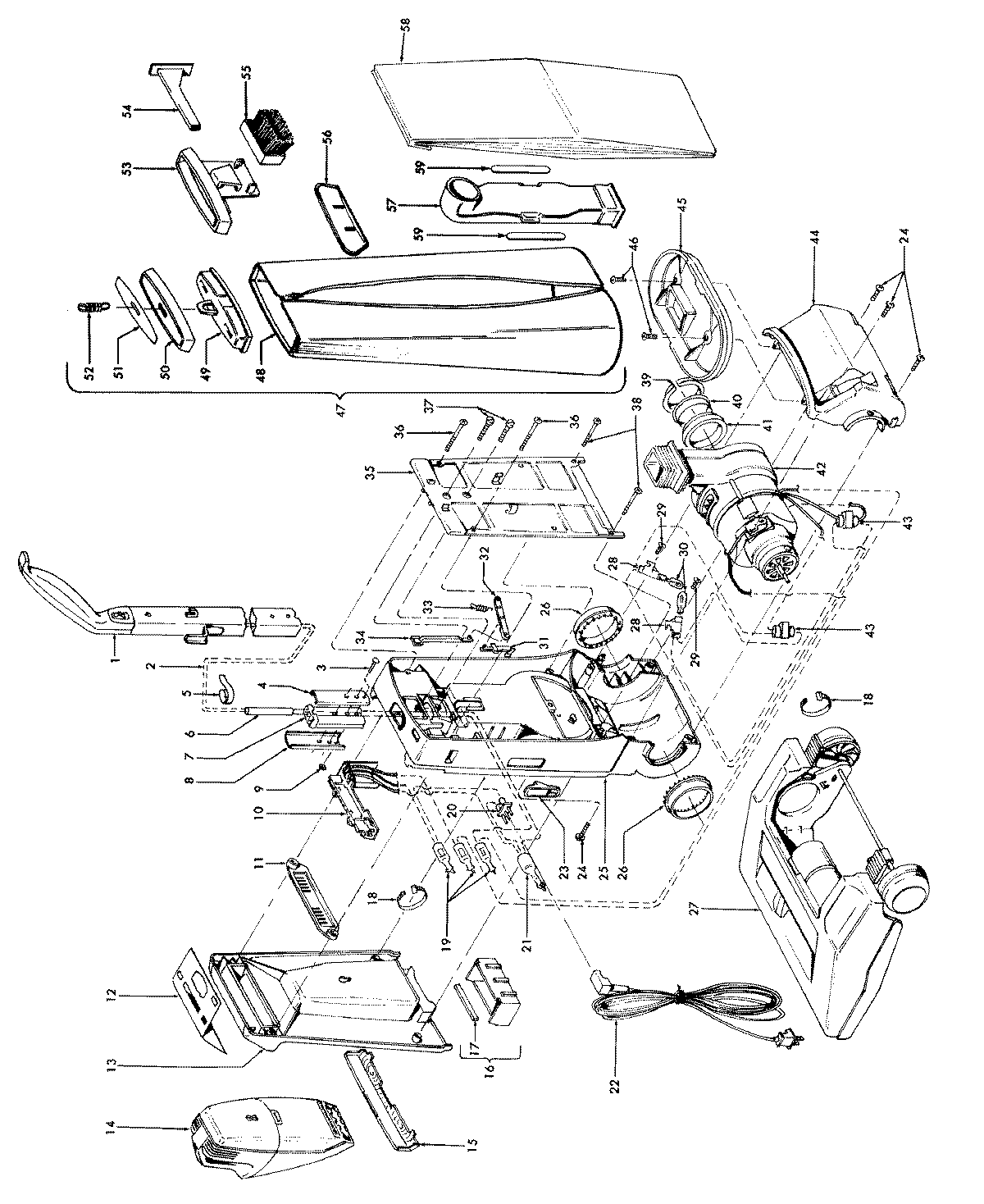
U4211— 02 – CLEANINGTOOLS, OUTERBAGadmin2025-04-26T08:51:11+00:00U4211— 02 – CLEANINGTOOLS, OUTERBAG ProductsPositionProduct2MAY 463130633MAY 212540084MAY 351520116MAY 317350077MAY 369130168MAY 351520089MAY 168278AY10MAY 4685101611MAY 3512300112MAY 5146700513MAY 3725403215MAY 4811100616MAY 4121102017MAY 3412200818MAY 2747930719MAY 012227--20MAY 4711600221MAY 018972--22MAY 4638800423MAY 4298301424MAY 2144701325MAY 4225301626MAY 3851100228MAY 4717600129MAY 2144700330MAY 2731310131MAY 3615501532MAY 3615302033MAY 3833300434MAY 3845801535MAY 3725709236MAY 2144702537MAY 2156300138MAY 2144701939MAY 3215500640MAY 3215600741MAY 3217501142NOT REQUIRED PART OR SEE NOTE FUSE (NOT REQUIRED)43MAY 2761710344MAY 3719507245MAY 3642500846MAY 2144701247MAY 4367733348MAY 4367732649MAY 3795909550MAY 4298701351MAY 5163901852MAY 3833400253MAY 3643305854MAY 3861700955MAY 4845100156MAY 3642503757MAY 3865701058MAY 4010001A59MAY 36131050