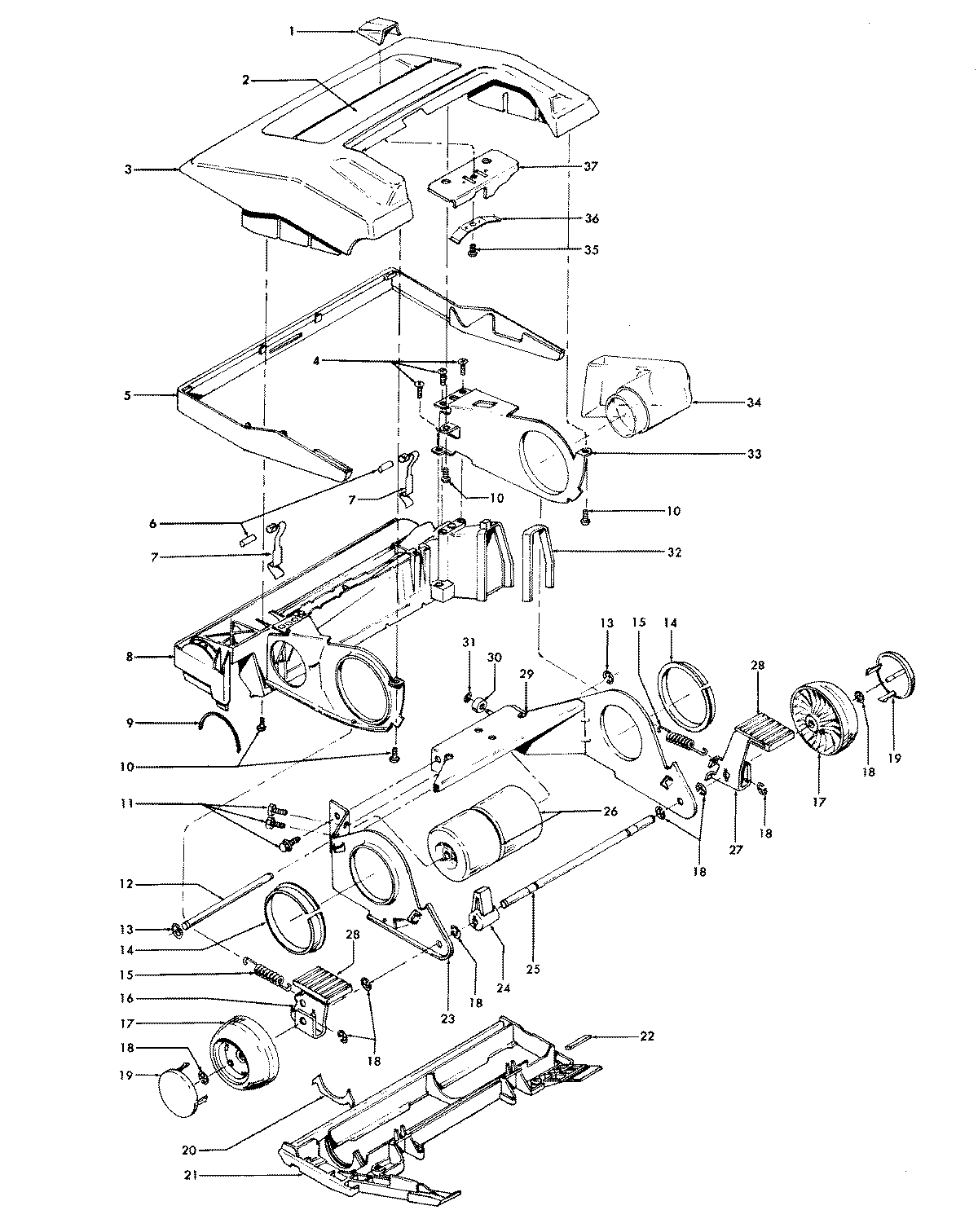
U4211— 04 – MAINBODY, HOODadmin2025-04-26T08:51:09+00:00U4211— 04 – MAINBODY, HOOD ProductsPositionProduct1MAY 384210361MAY 384210331MAY 384210322MAY 521150982MAY 521151142MAY 521151123MAY 372531333MAY 372532394MAY 214470035MAY 362350825MAY 362350206MAY 315220167MAY 347880018MAY 422460649MAY 012173--10MAY 2144701411MAY 165432--12MAY 3254100113MAY 01330614MAY 3215500415MAY 3833501416MAY 3845207116MAY 4313102917MAY 3852201817MAY 3852203218MAY 013730--19MAY 3791201319MAY 3791200620MAY 3878100621MAY 3724508722MAY 3412201923MAY 3547600724MAY 3845204825MAY 3254700226MAY 3852200827MAY 4313102027MAY 3845205928MAY 3842603029MAY 4143101430MAY 3114201431MAY 163699--32MAY 3412300333MAY 3547602734MAY 3865602335MAY 2144720336MAY 3475100237MAY 3856301838MAY 5651120238MAY 5824900439MAY 21312777