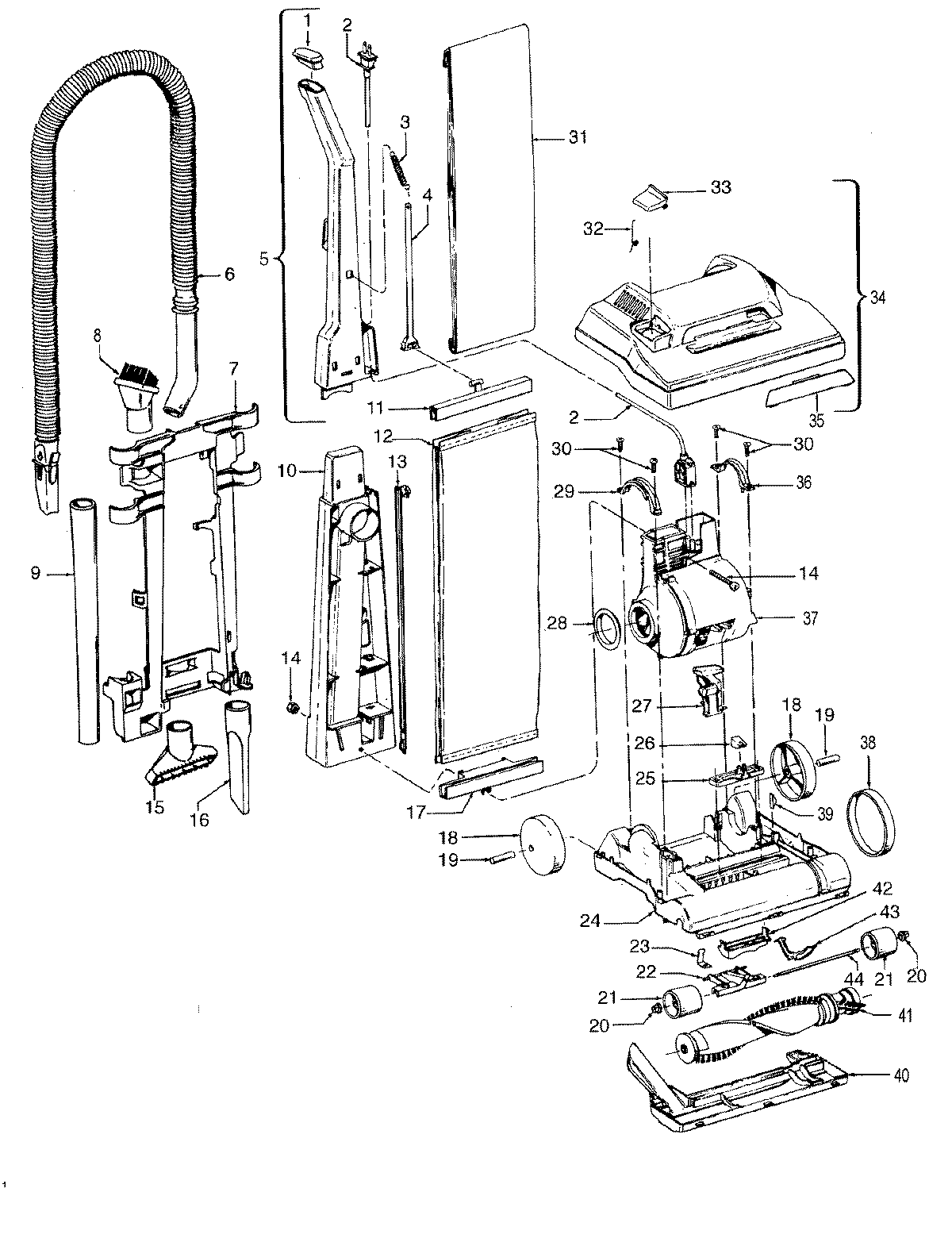
U4253930 02 – MAINBODY, HANDLE, OUTERBAG