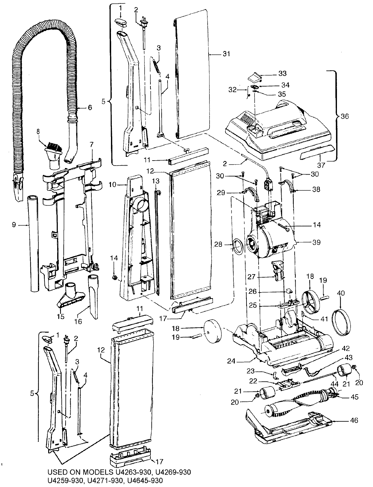
U4259930 02 – MAINBODY, HANDLE, OUTERBAGadmin2025-04-26T08:50:48+00:00U4259930 02 – MAINBODY, HANDLE, OUTERBAG ProductsPositionProduct1MAY 379110792MAY 463880273MAY 383350204MAY 364250724MAY 364250715MAY 486631415MAY 486631426MAY 434342687MAY 364331107MAY 364330988MAY 434141459MAY 3863407810MAY 3946400511MAY 3642506711MAY 3642506412MAY 4368621212MAY 4368622512MAY 4368620812MAY 4367518212MAY 4368622812MAY 4368601412MAY 4368618212MAY 4368616213MAY 3845603614MAY 4020108515MAY 3861402916MAY 3861702417MAY 3642506317MAY 3642506818MAY 3852201119MAY 3152301220MAY 3613105621MAY 4324805422MAY 4324805923MAY 3457200224MAY 4224300224MAY 4224300125MAY 3856700826MAY 3842107027MAY 3845802228MAY 3878401629MAY 3613105730MAY 2144721731MAY 4010100A31MAY 4010001A32MAY 3835101333MAY 3725704333MAY 3725706333MAY 3725701733MAY 3725702833MAY 3725714333MAY 3725704233MAY 3725704734MAY 3878501135MAY 2136200636MAY 4225234236MAY 42252A0236MAY 4225239736MAY 4225239236MAY 4225237936MAY 42252A8236MAY 4225236136MAY 4225231836MAY 4225233736MAY 4225235236MAY 4225232736MAY 4225233437MAY 3938309937MAY 3724612637MAY 3724612837MAY 3724604837MAY 3938309838MAY 3613109039MAY 4357614139MAY 4357620139MAY 4357614240MAY 3852802741MAY 13261AY-42MAY 3856301143MAY 3845208944MAY 3256301245MAY 4841408145MAY 4841407946MAY 3724501746MAY 3724510647MAY 5651139447MAY 56511A3347MAY 5835300947MAY 56511A6447MAY 5836609647MAY 5836609747MAY 5834600447MAY 3944201P47MAY 27313101