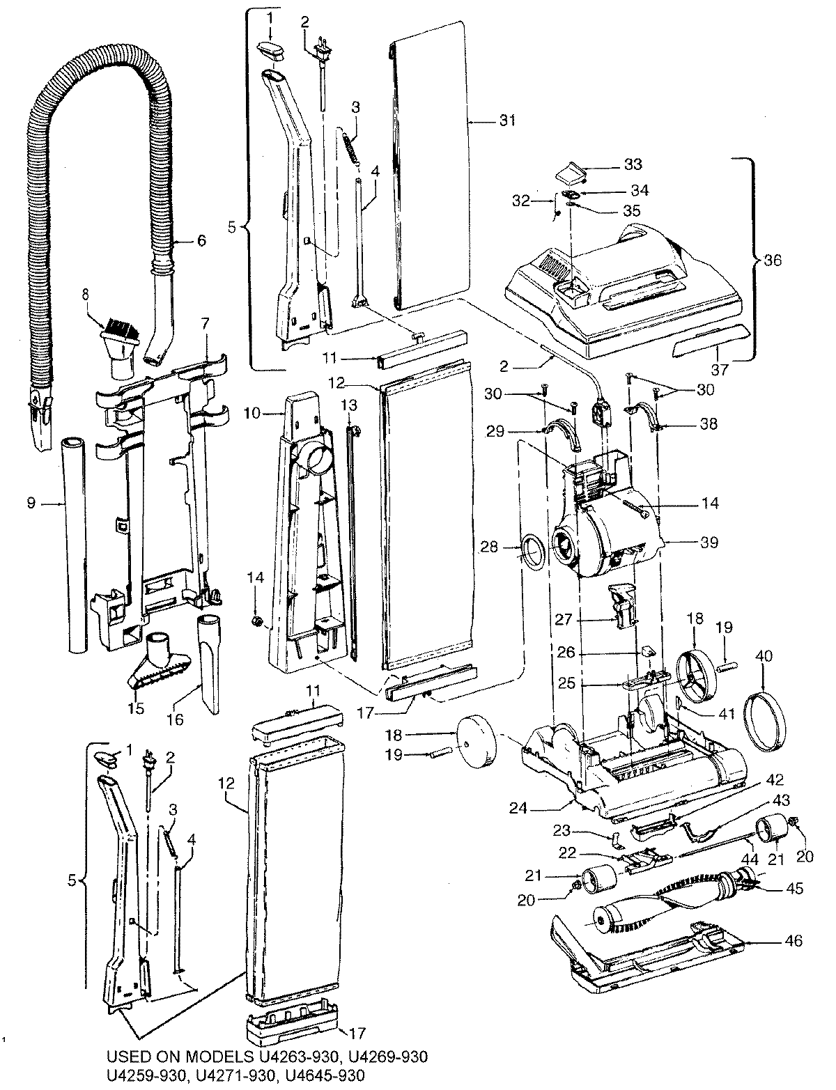
U4263930 02 – MAINBODY, HANDLE, OUTERBAG