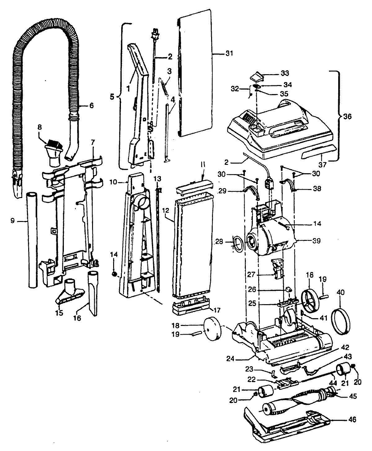
U4266916 02 – CLEANINGTOOLSadmin2025-04-26T08:50:59+00:00U4266916 02 – CLEANINGTOOLS ProductsPositionProduct1MAY 394580571MAY 379110792MAY 463880273MAY 383350204MAY 364250725MAY 486631416MAY 434342687MAY 364330988MAY 434141459MAY 3863407810MAY 3946400511MAY 3642506412MAY 4368622313MAY 3845603614MAY 4020108515MAY 3861402916MAY 3861702417MAY 3642506318MAY 3852201119MAY 3152301220NOT REQUIRED PART OR SEE NOTE FUSE (NOT REQUIRED)21MAY 4324805423MAY 3457200224MAY 4224300225MAY 3856700826MAY 3842107027MAY 3845802228MAY 3878401629MAY 3613105730MAY 2144721731MAY 4010001A31MAY 4366703432MAY 3835101333MAY 3725723436MAY 42252A9137MAY 3938309938MAY 3613109039MAY 4357617240MAY 3852802741MAY 13261AY-42MAY 3856301144MAY 4324805945MAY 4841407946MAY 3724501750MAY 2731310150MAY 3944201P996MAY 58353009996MAY 58346004996MAY 56511A83