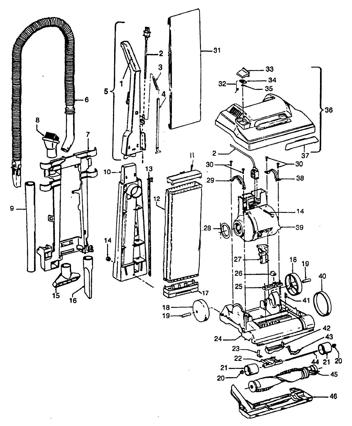
U4266930 02 – MAINBODY, HANDLE, OUTERBAGadmin2025-04-26T08:51:10+00:00U4266930 02 – MAINBODY, HANDLE, OUTERBAG ProductsPositionProduct1MAY 463880431MAY 394580571MAY 379110792MAY 463880273MAY 383350204MAY 364250725MAY 486631525MAY 486631416MAY 434342687MAY 364331107MAY 364330988MAY 434141459MAY 3863407810MAY 3946400511MAY 3642506412MAY 4368622912MAY 4368622312MAY 4368624012MAY 4368623912MAY 4368621312MAY 4368619212MAY 4368620212MAY 4368620713MAY 3845603614MAY 4020108515MAY 3861402916MAY 3861702417MAY 3642506318MAY 3852201119MAY 3152301220MAY 3613105622MAY 4324805923MAY 3457200224MAY 4224300124MAY 4224300225MAY 3856700826MAY 3842107027MAY 3845802228MAY 3878401629MAY 3613105730MAY 2144721731MAY 4010001A32MAY 3835101333MAY 3725725333MAY 3725725933MAY 3725702233MAY 3725702733MAY 3725714334MAY 3878501335MAY 2136200636MAY 4225238136MAY 4225238836MAY 42252A8636MAY 42252A8436MAY 42252A3836MAY 42252B1736MAY 42252A7436MAY 42252B3737MAY 3938309837MAY 3938309938MAY 3613109538MAY 3613109039MAY 4357614239MAY 4357614139MAY 4357620139MAY 4357619940MAY 3852802740MAY 3852804041MAY 13261AY-42MAY 3856301143MAY 3845208944MAY 3256301245MAY 4841407946MAY 3724510646MAY 3724501747MAY 2731310147MAY 3412305647MAY 56511A3347MAY 56511B1747MAY 5834600447MAY 5835300947MAY 3944201P47MAY 56511A01