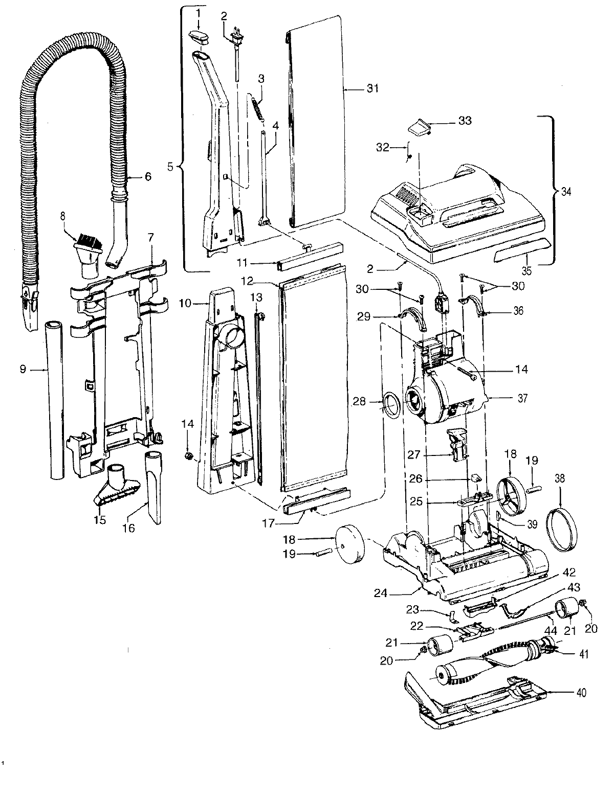
U4270930 02 – MAINBODY, HANDLE, OUTERBAGadmin2025-04-26T08:51:13+00:00U4270930 02 – MAINBODY, HANDLE, OUTERBAG ProductsPositionProduct1MAY 379110792MAY 463880432MAY 463880273MAY 383350204MAY 364250724MAY 364250715MAY 486631425MAY 486631416MAY 434342687MAY 364330988MAY 434141459MAY 3863407810MAY 3946400511MAY 3642506411MAY 3642506712MAY 4367518512MAY 4368623312MAY 4368623812MAY 4367518312MAY 4367518213MAY 3845603614MAY 4020108515MAY 3861402916MAY 3861702417MAY 3642506817MAY 3642506318MAY 3852201119MAY 3152301220MAY 3613105621MAY 4324805422MAY 4324805923MAY 3457200224MAY 4224300124MAY 4224300225MAY 3856700826MAY 3842107027MAY 3845802228MAY 3878401629MAY 3613105730MAY 2144721731MAY 4010001A31MAY 4010100A32MAY 3835101333MAY 3725705733MAY 3725708733MAY 3725714433MAY 3725724933MAY 3725701834MAY 42252A0834MAY 42252A1734MAY 42252A3234MAY 42252A7234MAY 4225239434MAY 42252B0934MAY 42252B3035MAY 3724613135MAY 3938309835MAY 3938309935MAY 3724604836MAY 3613109037MAY 4357614137MAY 4357614237MAY 4357620137MAY 4357619938MAY 3852804038MAY 3852802739MAY 13261AY-40MAY 3724501740MAY 3724510641MAY 4841408141MAY 4841407942MAY 3856301143MAY 3845208944MAY 3256301245MAY 3944201P45MAY 3412305645MAY 5651139445MAY 56511A3345MAY 56511B1745MAY 5834600445MAY 5835300945MAY 27313101