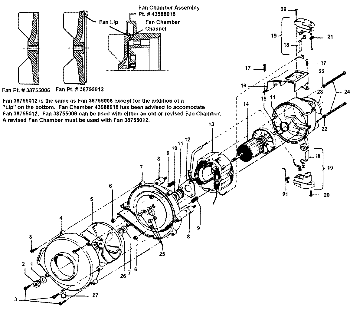
U4347— 03 – MOTOR ASSEMBLY