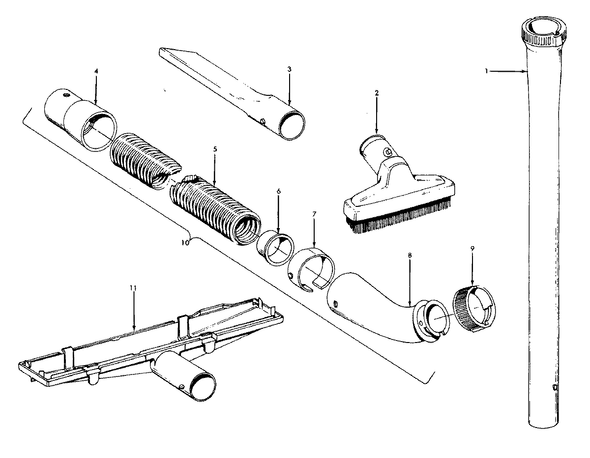
U4461-9 02 – CLEANINGTOOLS