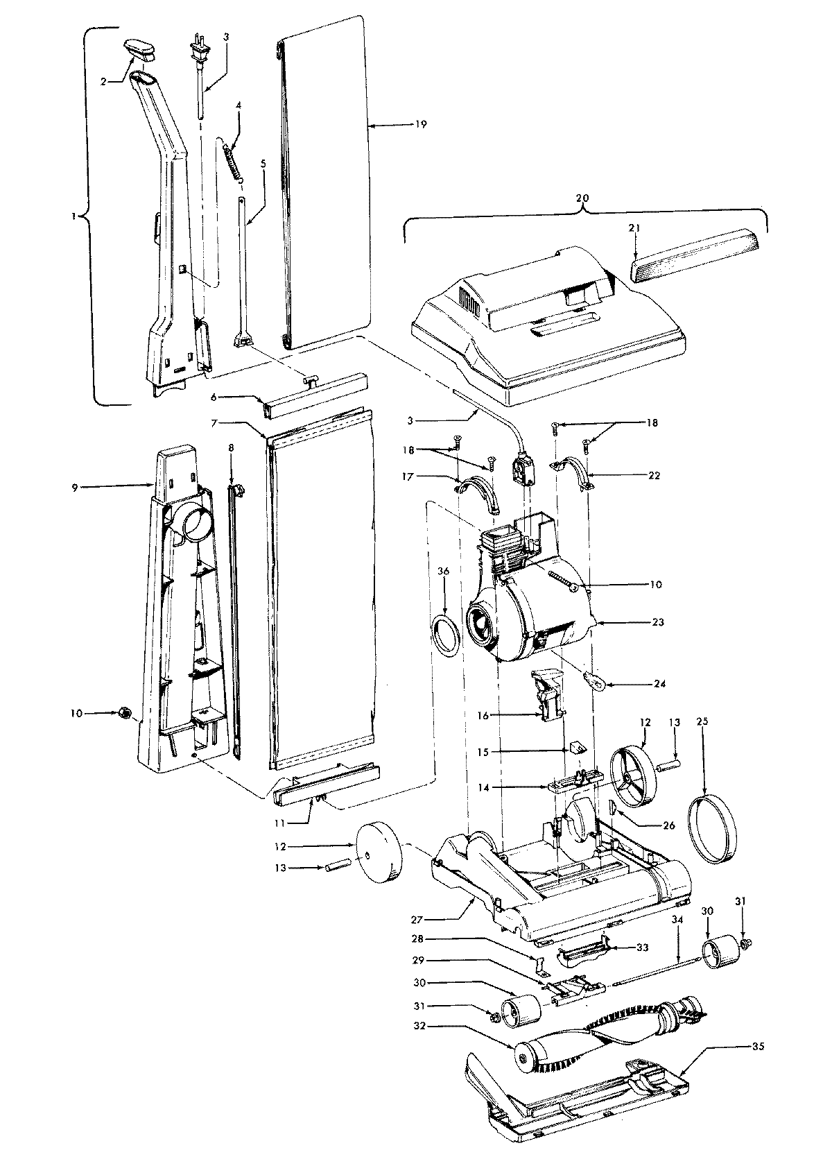
U4483— 03 – HANDLE, MAINBODY, OUTERBAG, HOODadmin2025-04-26T08:51:01+00:00U4483— 03 – HANDLE, MAINBODY, OUTERBAG, HOOD ProductsPositionProductNIMAY 38634078NIMAY 58353009NIMAY 58346004NIMAY 38614029NIMAY 38656016NIMAY 43434225NIMAY 43414145NIMAY 38617024NIMAY 56511334NIMAY 565113471MAY 486631422MAY 379110793MAY 463880274MAY 383350205MAY 364250716MAY 364250677MAY 436751828MAY 384560369MAY 3946400510MAY 4020108511MAY 3642506812MAY 3852201113MAY 3152301214MAY 3856700815MAY 3842105215MAY 3842107016MAY 3845802217MAY 3613105718MAY 2144721719MAY 4010001A20MAY 4225213520MAY 4225213020MAY 4225216520MAY 4225220520MAY 4225230220MAY 4225214721MAY 3938309022MAY 3613109023MAY 4357614224MAY 2731310125MAY 3852802726MAY 13261AY-27MAY 4224227028MAY 3457200230MAY 4324805931MAY 3613105632MAY 4841408132MAY 4841407933MAY 3856301134MAY 3256301235MAY 3724501736MAY 38784016