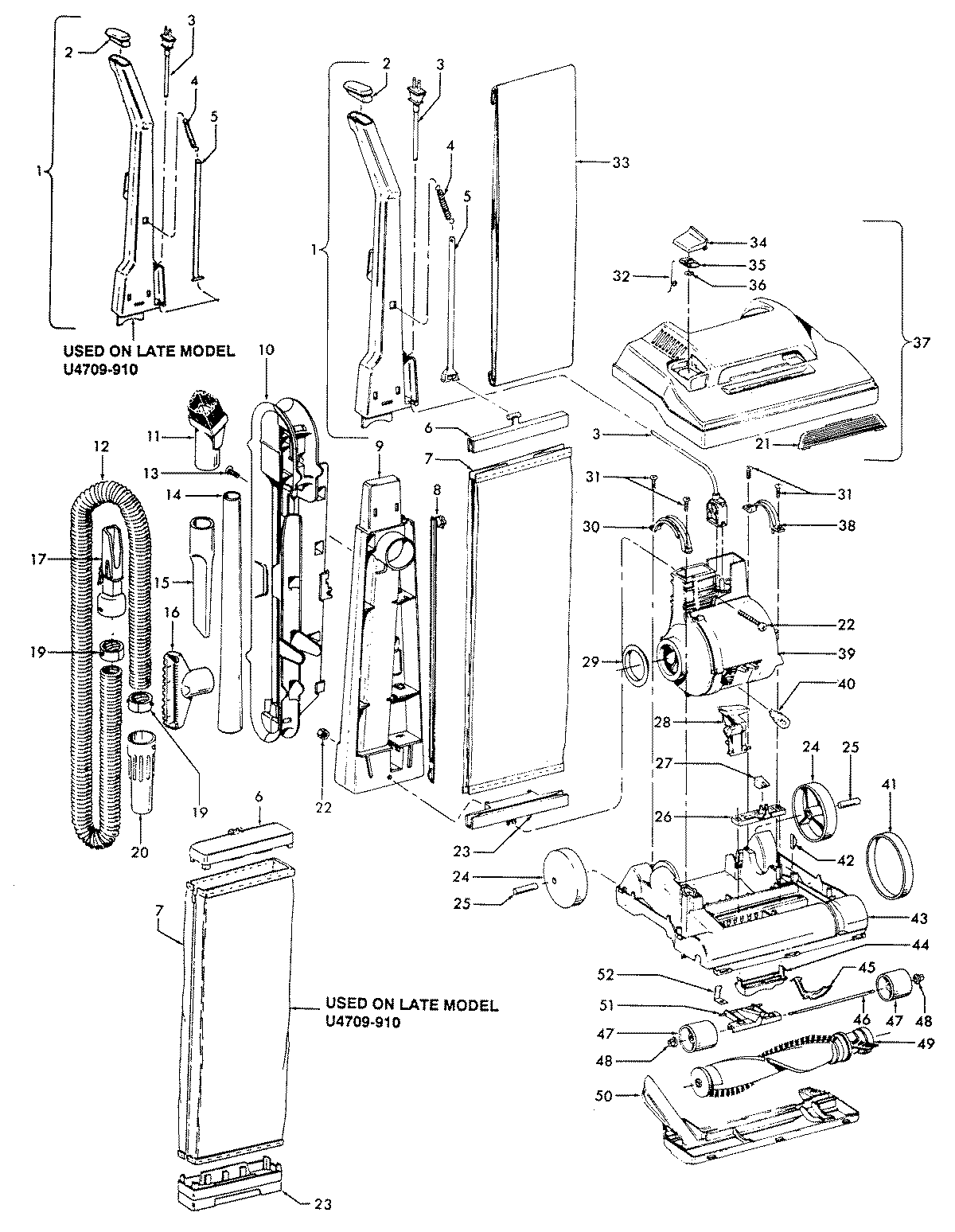
U4709910 02 – MAINBODY, HANDLE, OUTERBAGadmin2025-04-26T08:52:23+00:00U4709910 02 – MAINBODY, HANDLE, OUTERBAG ProductsPositionProductNINOT REQUIRED PART OR SEE NOTE FUSE (NOT REQUIRED)NIMAY 3944201PNIMAY 58385019NIMAY 56511395NIMAY 565113521MAY 486631421MAY 486631412MAY 379110793MAY 463880274MAY 383350205MAY 364250725MAY 364250716MAY 364250646MAY 364250677MAY 436861787MAY 436861777MAY 436751827MAY 436861447MAY 436861417MAY 436861898MAY 384560369MAY 3946400510MAY 4142608611MAY 4341414512MAY 4343423213MAY 2144722014MAY 3863407815MAY 3861702416MAY 3861402917MAY 3865603519MAY 3611601420MAY 3228801121MAY 3938309921MAY 3938309822MAY 4020108523MAY 3642506823MAY 3642506324MAY 3852201125MAY 3152301226MAY 3856700827MAY 3842107028MAY 3845802229MAY 3878401630MAY 3613105731MAY 2144721732MAY 3835101333MAY 4010001A34MAY 3725701834MAY 3725701934MAY 3725702735MAY 3878501136MAY 2136200637MAY 4225229437MAY 4225229537MAY 4225232037MAY 4225233837MAY 4225234137MAY 4225235037MAY 4225235938MAY 3613109039MAY 4357614240MAY 2731310141MAY 3852802742MAY 13261AY-43MAY 4224300143MAY 4224300244MAY 3856301145MAY 3845208946MAY 3256301247MAY 4324805948MAY 3613105649MAY 4841408149MAY 4841407950MAY 3724510651MAY 4324805452MAY 34572002