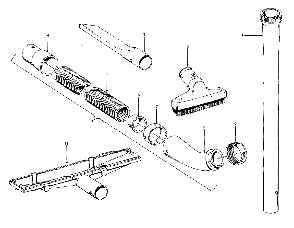
U4723— 02 – CLEANINGTOOLS