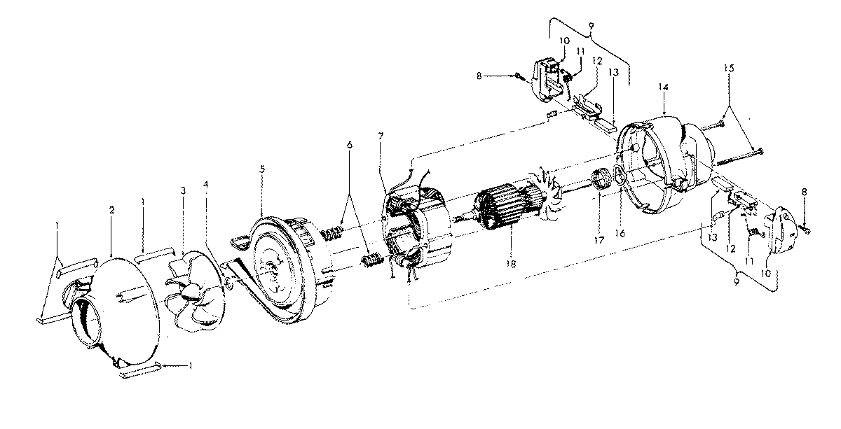
U5045— 05 – MOTOR ASSEMBLYadmin2025-04-26T08:52:31+00:00U5045— 05 – MOTOR ASSEMBLY ProductsPositionProduct1MAY 347860042MAY 387360283MAY 387550304MAY 213127935MAY 435880126MAY 383130247MAY 453170258MAY 214793029MAY 4731801710MAY 168038AG11MAY 3835301112MAY 168506--13MAY 4731500414MAY 3719109715MAY 2147957716MAY 2134511517MAY 2419800218MAY 44765202