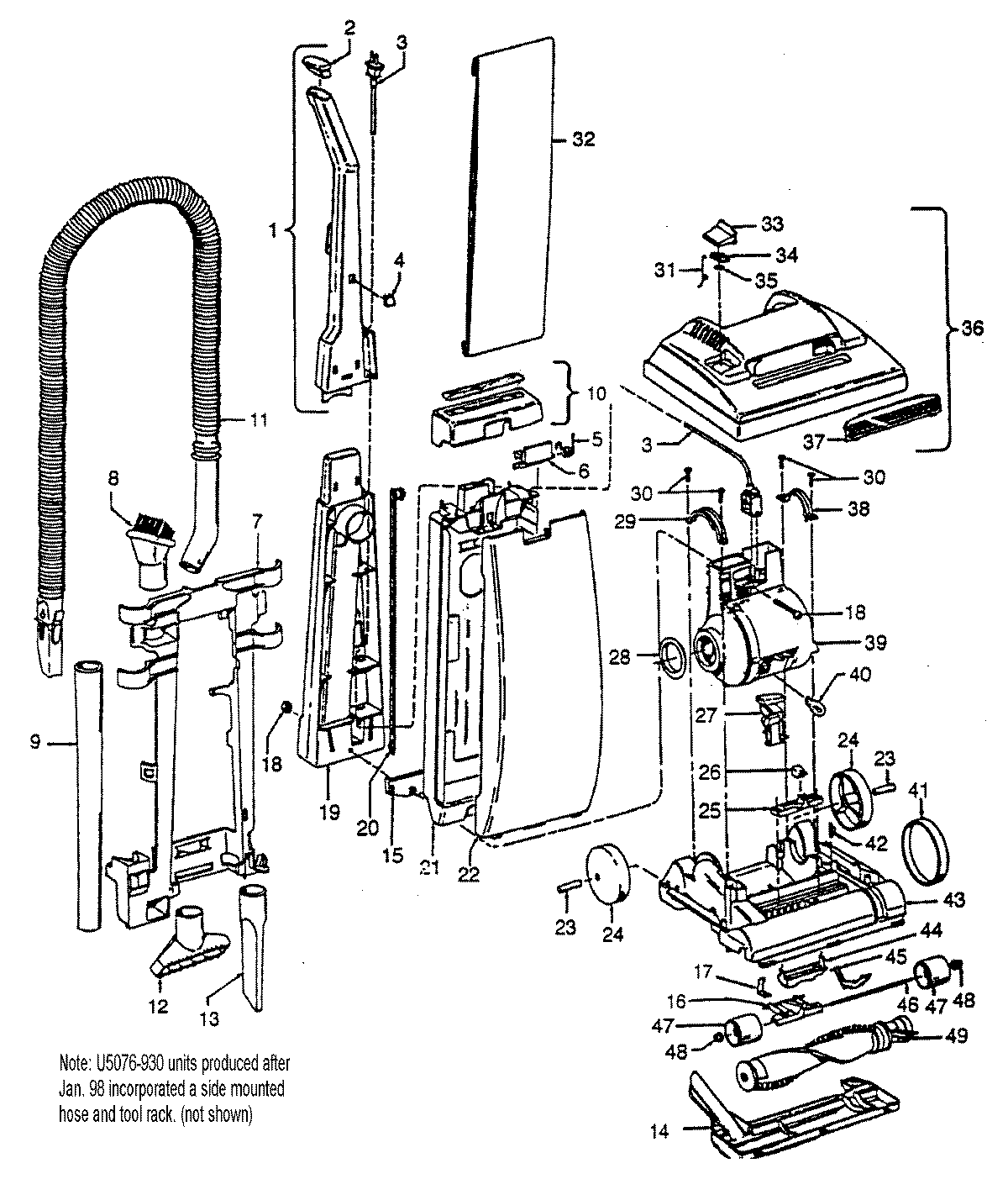
U5057930 02 – MAINBODY, HANDLE, OUTERBAGadmin2025-04-26T08:52:14+00:00U5057930 02 – MAINBODY, HANDLE, OUTERBAG ProductsPositionProductNIMAY 3944201PNIMAY 34123056NIMAY 58385020NIMAY 56511A21NIMAY 56511A71NIMAY 56511A79NIMAY 583140081MAY 486631601MAY 486632042MAY 394580572MAY 379110792MAY 379110783MAY 463880273MAY 463880434MAY 379110615MAY 383550086MAY 361510067MAY 414260867MAY 364330987MAY 364331108MAY 434141459MAY 3863407810MAY 3795910010MAY 3795910511MAY 4343403311MAY 4343423211MAY 4343426812MAY 3861402913MAY 3861702414MAY 3724501714MAY 3724510615MAY 3642508116MAY 4324805917MAY 3457200218MAY 4020108519MAY 4866901719MAY 3946400520MAY 3845804620MAY 3845603621MAY 3725406822MAY 3725730322MAY 3725700722MAY 3725705622MAY 3725716322MAY 3725717222MAY 3725717322MAY 3725717922MAY 3725721922MAY 3725722522MAY 3725723922MAY 3725725623MAY 3152301224MAY 3852201125MAY 3856700826MAY 3842107027MAY 3845802228MAY 3878401629MAY 3613105730MAY 2144721731MAY 3835101332MAY 4010001A33MAY 3725714333MAY 3725705933MAY 3725701933MAY 3725704234MAY 3878501335MAY 2136200636MAY 42252A8236MAY 42252A0236MAY 4225234236MAY 4225239636MAY 42252A0336MAY 42252A1836MAY 42252A3136MAY 4225239336MAY 42252B4436MAY 4225234136MAY 42252A4136MAY 4225233736MAY 42252A9237MAY 3724604837MAY 3938309837MAY 3938309938MAY 3613109039MAY 4357614139MAY 4357614239MAY 4357619939MAY 4357620140MAY 2731310141MAY 3852804041MAY 3852802742MAY 13261AY-43MAY 4224300243MAY 4224300144MAY 3856301145MAY 3845208946MAY 3256301247MAY 4324805448MAY 3613105649MAY 4841407949MAY 48414081