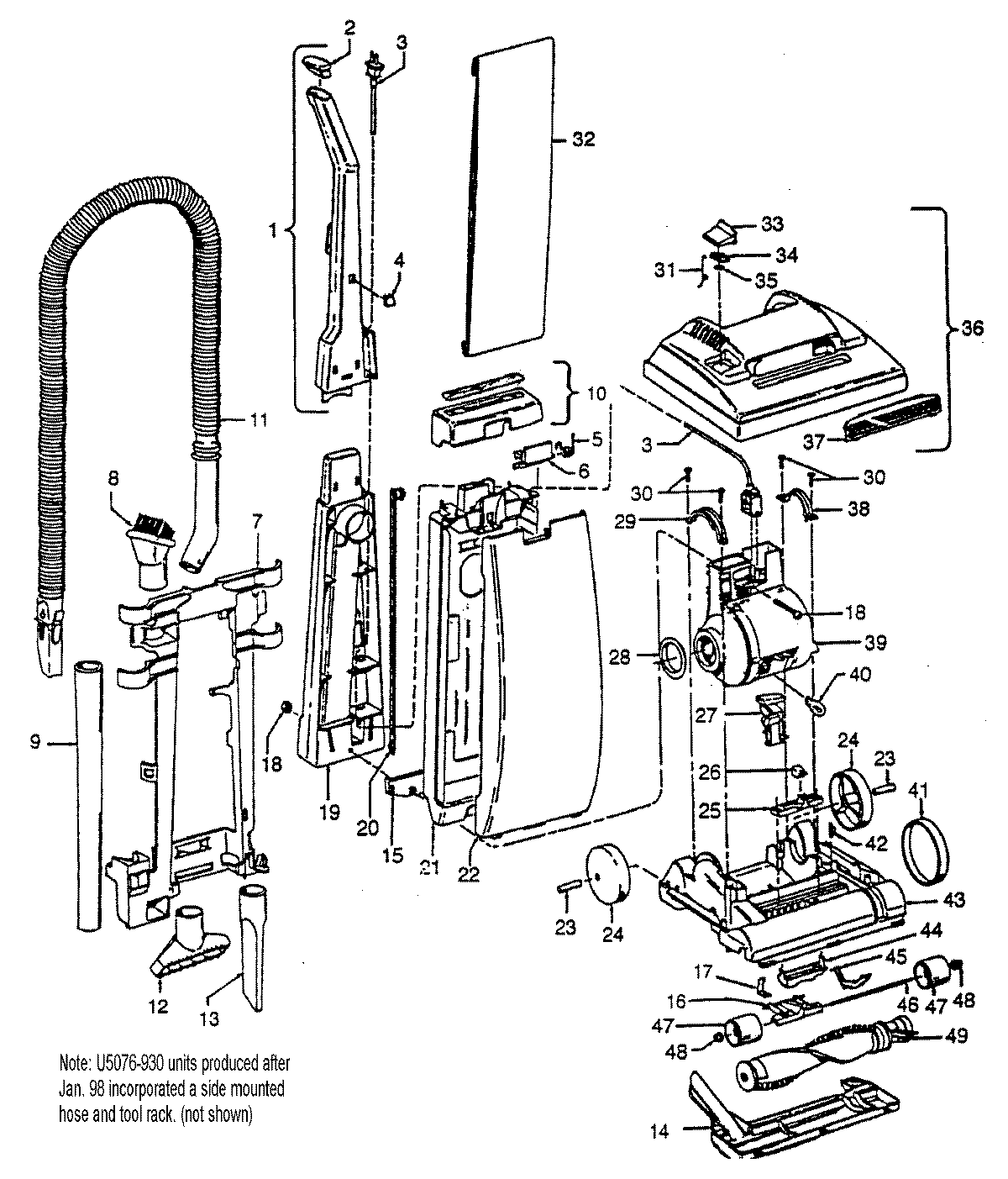
U5065909 02 – MAINBODYadmin2025-04-26T08:52:40+00:00U5065909 02 – MAINBODY ProductsPositionProductNIMAY 56511A21NIMAY 58385020NIMAY 583140081MAY 486631682MAY 379110793MAY 463880314MAY 379110615MAY 383550086MAY 361510067MAY 364330988MAY 434141459MAY 3863407710MAY 3795910511MAY 4343426812MAY 3861402913MAY 3861702414MAY 3724501715MAY 3642508116MAY 3643205517MAY 3457200218MAY 4020108519MAY 3946400520MAY 3845603621MAY 3725406822MAY 3725700723MAY 3152301224MAY 3852201125MAY 3856700826MAY 3842107027MAY 3845802228MAY 3878401629MAY 3613105730MAY 2144721731MAY 3835101332MAY 4010001A33MAY 3725701936MAY 42252A2037MAY 3938309938MAY 3613109039MAY 4357617240MAY 2731310141MAY 3852802742MAY 13261AY-43MAY 4224300244MAY 3856301145MAY 3845208946MAY 3256301247MAY 3852102348MAY 3613105649MAY 48414079