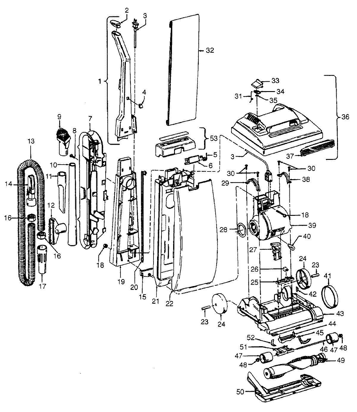
U5071930 02 – MAINBODY, HANDLE, OUTERBAGadmin2025-04-26T08:52:16+00:00U5071930 02 – MAINBODY, HANDLE, OUTERBAG ProductsPositionProductNIMAY 3944201PNIMAY 58385020NIMAY 56511A23NIMAY 565113951MAY 486631602MAY 394580572MAY 379110182MAY 379110793MAY 463880274MAY 379110384MAY 379110615MAY 383550086MAY 361510067MAY 414260197MAY 414260868MAY 214472209MAY 4341414510MAY 3863407811MAY 3861702412MAY 3861402913MAY 4343423213MAY 4343403314MAY 3865603515MAY 3642508116MAY 3611601417MAY 3228801118MAY 4020108519MAY 3946400520MAY 3845603621MAY 3725406822MAY 3725708922MAY 3725718822MAY 3725730322MAY 3725709323MAY 3152301224MAY 3852201125MAY 3856700826MAY 3842107027MAY 3845802228MAY 3878401629MAY 3613105730MAY 2144721731MAY 3835101332MAY 4010001A33MAY 3725702233MAY 3725714333MAY 3725701633MAY 3725702734MAY 3878501134MAY 3878501335MAY 2136200636MAY 4225231936MAY 4225233036MAY 4225238036MAY 42252A7836MAY 4225203136MAY 4225239936MAY 4225234037MAY 3938309838MAY 3613109039MAY 4357614240MAY 2731310141MAY 3852802742MAY 13261AY-43MAY 4224300144MAY 3856301145MAY 3845208946MAY 3256301248MAY 3613105649MAY 4841408150MAY 3724510651MAY 4324805952MAY 3457200253MAY 3795910053MAY 37959105