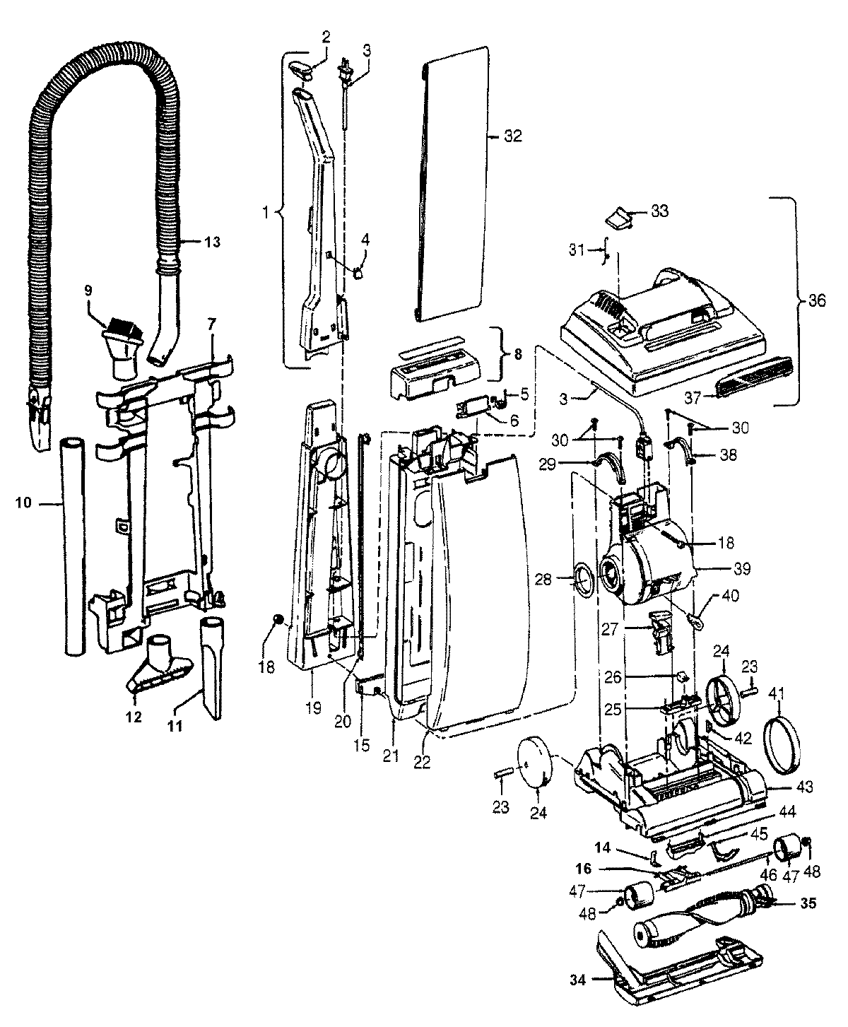
U5095920 02 – MAINBODY, HANDLE, OUTERBAGadmin2025-04-26T08:52:52+00:00U5095920 02 – MAINBODY, HANDLE, OUTERBAG ProductsPositionProductNIMAY 3944201PNIMAY 56511A21NIMAY 56511B16NIMAY 583850201MAY 486631602MAY 394580572MAY 379110793MAY 463880433MAY 463880274MAY 379110615MAY 383550086MAY 361510067MAY 364331108MAY 379591059MAY 4341414510MAY 3863407811MAY 3861702412MAY 3861402913MAY 4343426814MAY 3457200215MAY 3642508116MAY 4324805918MAY 4020108519MAY 3946400520MAY 3845603621MAY 3725406821MAY 3725406922MAY 3725722222MAY 3725718622MAY 3725725222MAY 3725725122MAY 3725727023MAY 3152301224MAY 3852201125MAY 3856700826MAY 3842107027MAY 3845802228MAY 3878401629MAY 3613105730MAY 2144721731MAY 3835101332MAY 4010100A32MAY 4010001A33MAY 3725715533MAY 3725728533MAY 3725705733MAY 3725702733MAY 3725727134MAY 3724510634MAY 3724501735MAY 4841411835MAY 4841407935MAY 4841408136MAY 42252A7636MAY 42252A7736MAY 42252B1536MAY 42252B5636MAY 42252B1936MAY 4225239936MAY 4225203137MAY 3938309838MAY 3613109039MAY 4357614239MAY 4357619940MAY 2731310141MAY 3852802742MAY 13261AY-43MAY 4224300144MAY 3856301145MAY 3845208946MAY 3256301247NOT REQUIRED PART OR SEE NOTE FUSE (NOT REQUIRED)48MAY 36131056