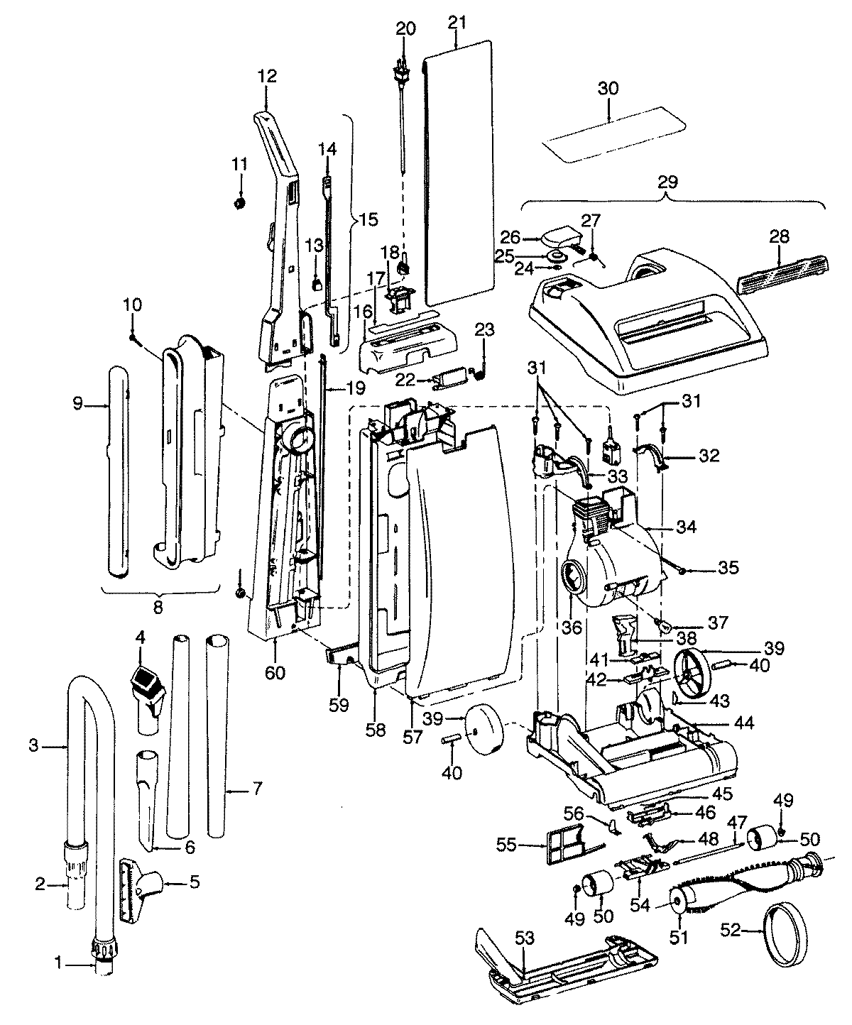
U5099910 02 – MAINBODY, HANDLE, OUTERBAGadmin2025-04-26T08:52:50+00:00U5099910 02 – MAINBODY, HANDLE, OUTERBAG ProductsPositionProductNIMAY 3944201PNIMAY 56511398NIMAY 57363003NIMAY 57363002NIMAY 56511234NIMAY 58274014NIMAY 58385016NIMAY 565113771MAY 323770042MAY 322880113MAY 434340884MAY 434141455MAY 386140296MAY 386170247MAY 386340788MAY 414260899MAY 414260199MAY 3725717010MAY 2144722011MAY 3842100312MAY 3945805712MAY 3945805613MAY 3791103814MAY 3845800615MAY 4866316616MAY 3795910016MAY 3795910517MAY 5163909218MAY 3511100219MAY 3845804620MAY 4638802721MAY 4010001A21MAY 4010100A22MAY 3615100623MAY 3835500824MAY 2136200625MAY 3878405626MAY 4224700326MAY 4224700926MAY 3725717526MAY 4224700727MAY 3835101128MAY 3938309729MAY 4225229829MAY 4225222929MAY 4225222729MAY 42252A6129MAY 4225229330MAY 5211518630MAY 5211518930MAY 5166906630MAY 5211518731MAY 2144721732MAY 3613109033MAY 3861302934MAY 4357614235MAY 4020108536MAY 3878401637MAY 2731310138MAY 3845802239MAY 3852201140MAY 3152301241MAY 3856701442MAY 3856700943MAY 13261AY-44MAY 4224226645MAY 3835101246MAY 3856301347MAY 3256301248MAY 3845208949MAY 3613105651MAY 4841408152MAY 3852802753MAY 3724510654MAY 4324805955MAY 3871800556MAY 3457200257MAY 3725723757MAY 3725723657MAY 3725730358MAY 3725406859MAY 3642508160MAY 4866900160MAY 48669017