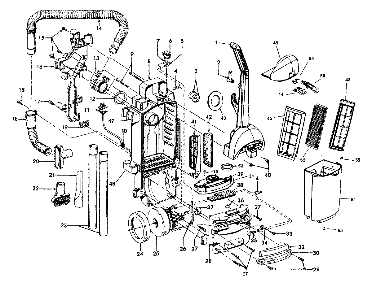
U5154900 02 – MOTOR, HOSE, CLEANINGTOOLS, HANDLE