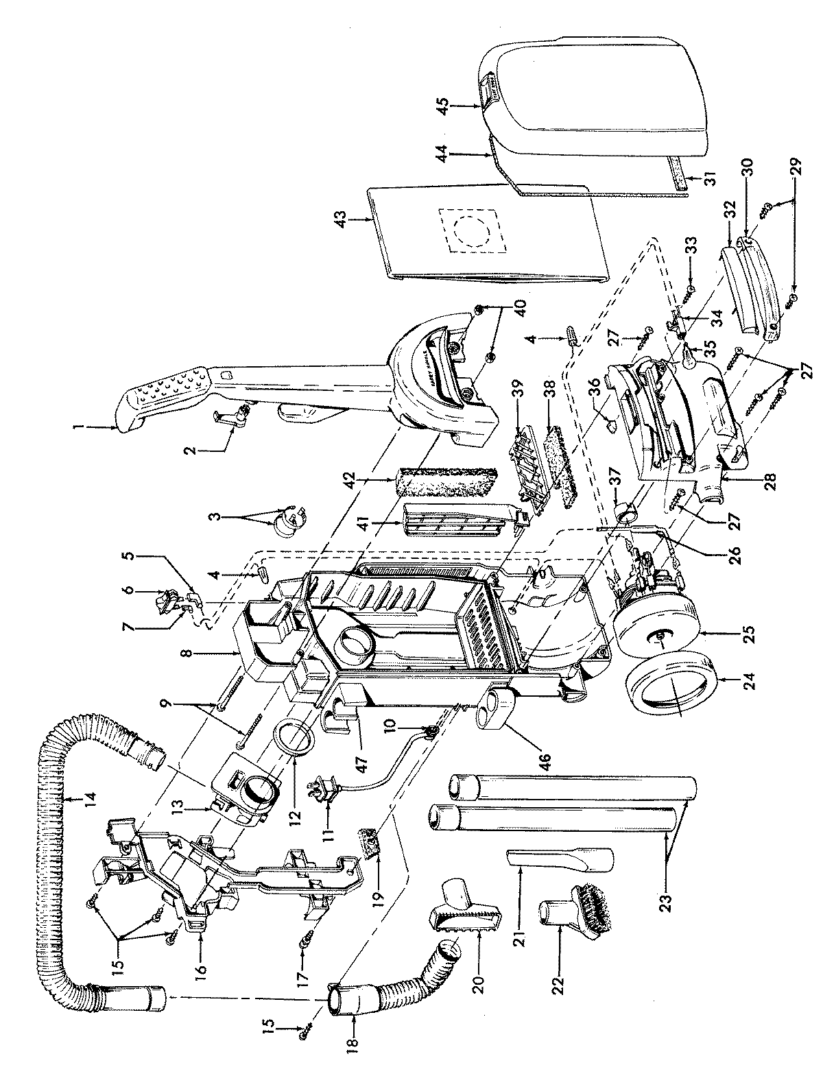
U5295900 02 – MOTOR, CLEANINGTOOLS, HANDLE, OUTERBAGadmin2025-04-26T08:53:02+00:00U5295900 02 – MOTOR, CLEANINGTOOLS, HANDLE, OUTERBAG ProductsPositionProductNIMAY 56511A72NIMAY 49811059NIMAY 40200013NIMAY 56511C04NIMAY 56511C11NIMAY 56511C03NIMAY 43457024NIMAY 49811073NIMAY 43434042NIMAY 012910--NIMAY 511510101MAY 486632062MAY 3944201P3MAY 274793074MAY 276185086MAY 281610676MAY 403090337NOT REQUIRED PART OR SEE NOTE FUSE (NOT REQUIRED)8MAY 3725501310MAY 2748230110MAY 2748223011MAY 4638333412MAY 3117801713MAY 3864100514MAY 4343403114MAY 4343424815MAY 2144724216MAY 3643311217MAY 2314900218MAY 4343100519MAY 3431100420MAY 3861401E21MAY 3861702722MAY 4341416223MAY 3863407824MAY 3632203525MAY 4357618825MAY 4131101725MAY 4356601626MAY 2838208626MAY 4753402726MAY 2838208726MAY 5187300127MAY 2144723028MAY 3719615828MAY 3719600929MAY 2144722830MAY 3938310731MAY 3412305032MAY 3794401033MAY 2144707234MAY 4717302334MAY 4717302735MAY 2731310136MAY 3413101937MAY 3632203038MAY 3876501939MAY 3642603440MAY 4020114940MAY 2164155841MAY 3642606042MAY 3876600842MAY 4011000443MAY 4010100Y44MAY 3878105745MAY 4225510745MAY 4225510145MAY 4225506545MAY 4225506445MAY 3725424445MAY 3725424045MAY 3725423345MAY 3725411545MAY 3725409645MAY 3725408946MAY 3643311647MAY 36433117