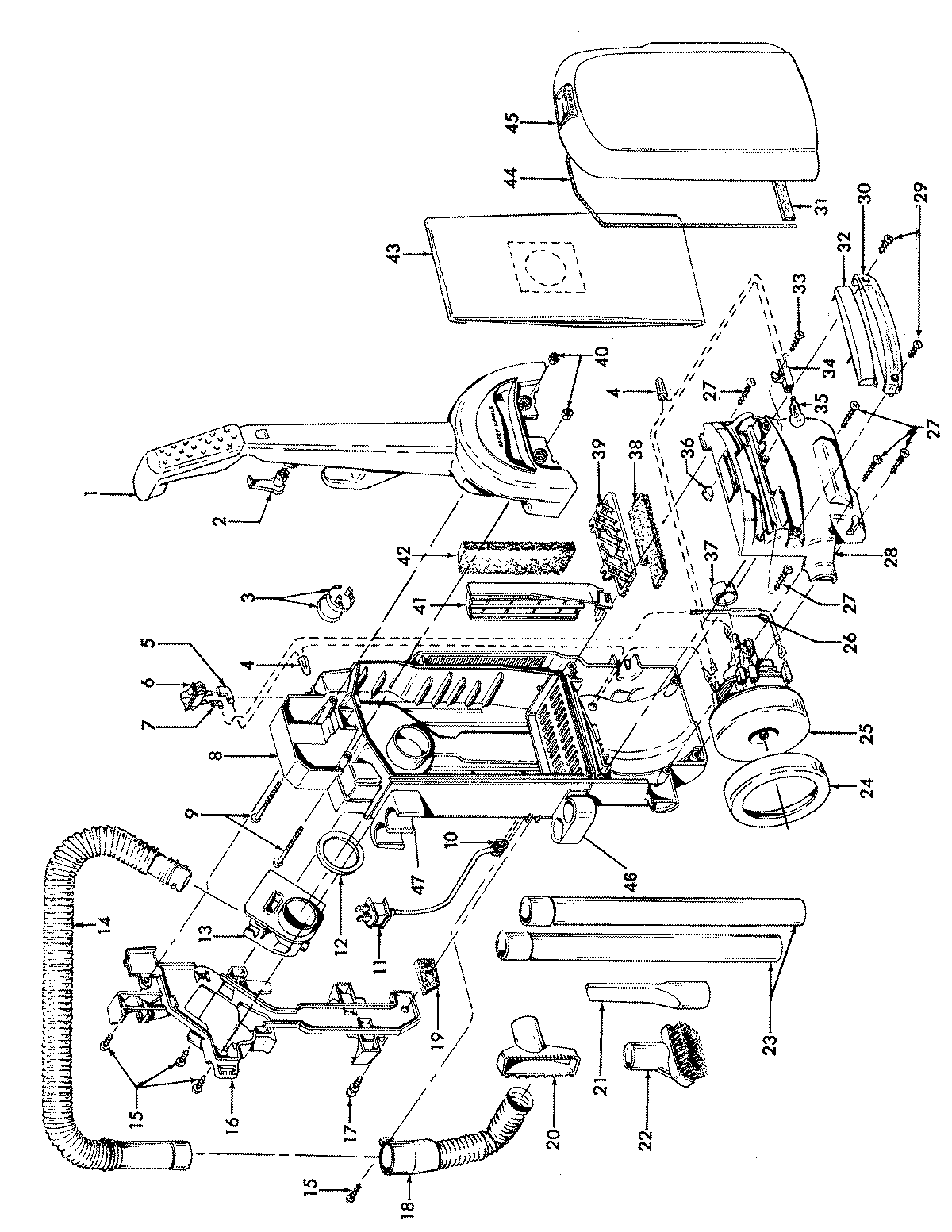
U5330900 02 – MOTOR, CLEANINGTOOLS, HANDLE, OUTERBAG