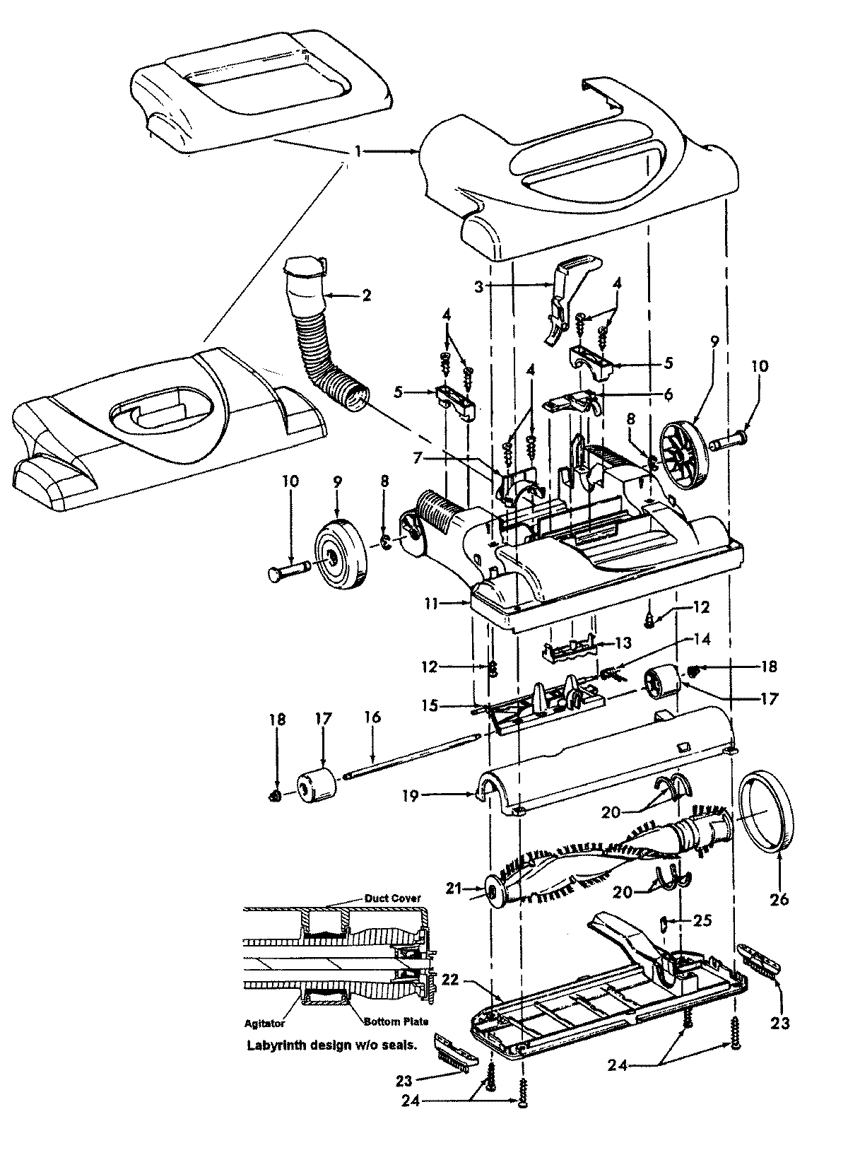
U5348900 01 – AGITATOR, MAINBODYadmin2025-04-26T08:53:14+00:00U5348900 01 – AGITATOR, MAINBODY ProductsPositionProduct1MAY 37253A012MAY 434310053MAY 384580434MAY 214470725MAY 361310947MAY 361710448MAY 160017--9MAY 3852207710MAY 3243400711MAY 3724212312MAY 2144722813MAY 4030900414MAY 3835501015MAY 3643202715MAY 4324805716MAY 3254100317MAY 3852100418MAY 3613105620MAY 3878105321MAY 4841411522MAY 4030902623MAY 3623508823MAY 3951100424MAY 2144712125MAY 13261AY-26MAY 38528033