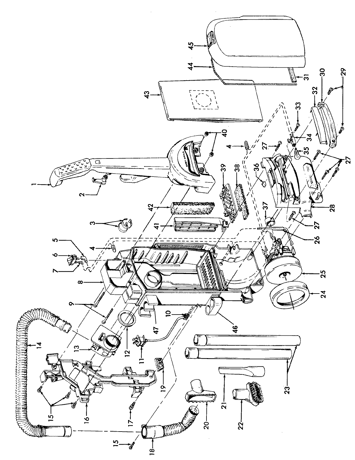
U5395960 02 – MOTOR, CLEANINGTOOLS, HANDLE, OUTERBAG