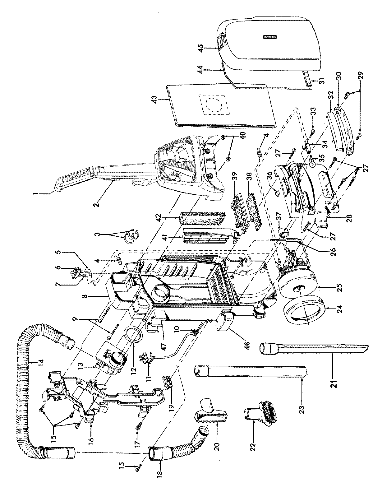
U5416900 02 – MOTOR, CLEANINGTOOLS, HANDLE, OUTERBAGadmin2025-04-26T08:51:07+00:00U5416900 02 – MOTOR, CLEANINGTOOLS, HANDLE, OUTERBAG ProductsPositionProductNIMAY 56511A721MAY 486631782MAY 3944201P3MAY 274793074MAY 276185086MAY 281610677NOT REQUIRED PART OR SEE NOTE FUSE (NOT REQUIRED)8MAY 372550139MAY 4020114910MAY 2748223011MAY 4638333412MAY 3117801713MAY 3864100514MAY 4343424815MAY 2144724216MAY 3643311217MAY 2314900218MAY 4343100519MAY 3431100420MAY 3861404421MAY 3861703122MAY 4341419523MAY 3863407824MAY 3632203525MAY 4131101725MAY 4357618825MAY 4356601626MAY 5187300126MAY 2838208627MAY 2144723028MAY 3719615829MAY 2144722830MAY 3938310731MAY 3412305032MAY 3794401033MAY 2144707234MAY 4717302335MAY 2731310136MAY 3413101937MAY 3632203038MAY 3876501939MAY 3642603440MAY 2164155841MAY 3642606042MAY 4011000442MAY 3876600843MAY 4010100Y44MAY 3878105745MAY 4225508546MAY 3643311647MAY 36433117