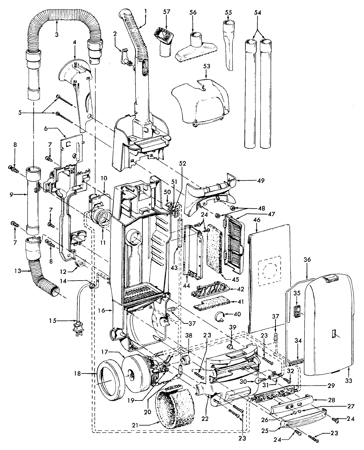
U54219RM 02 – MOTOR, CLEANINGTOOLS, HANDLE, OUTERBAG