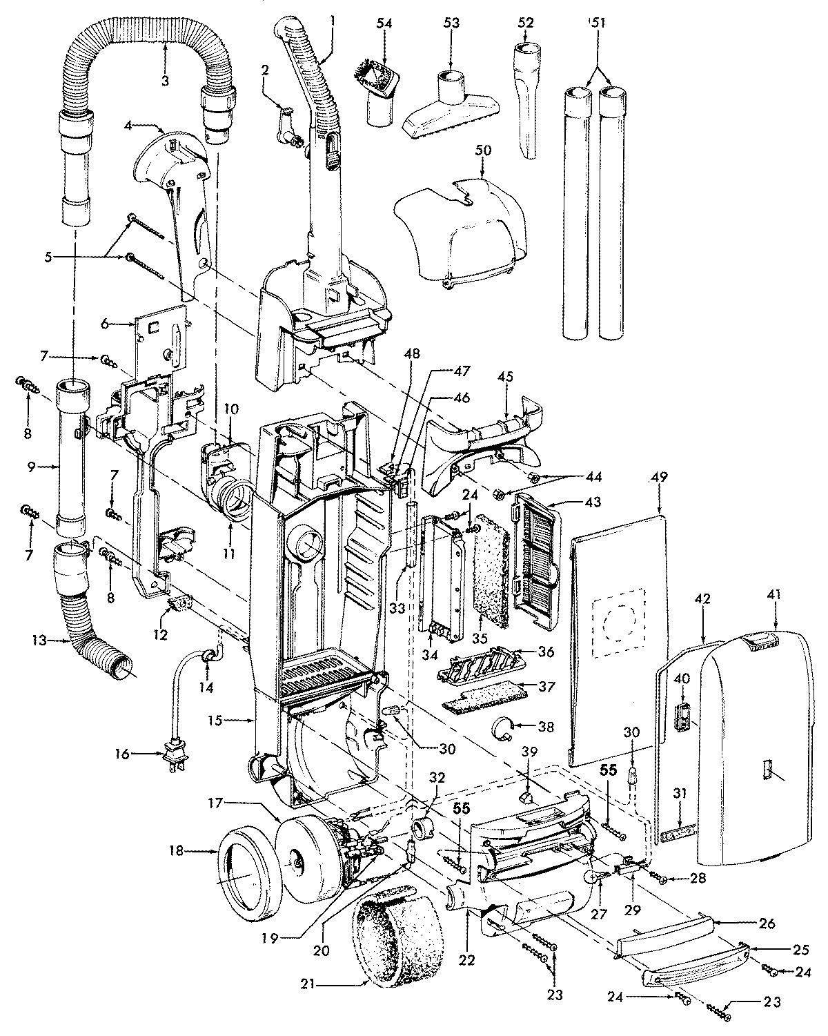
U5433906 02 – MOTOR ASSEMBLY, BAGHOUSINGadmin2025-04-26T08:51:14+00:00U5433906 02 – MOTOR ASSEMBLY, BAGHOUSING ProductsPositionProductNIMAY 012910--NIMAY 51632001NIMAY 56511A68NIMAY 56511A51NIMAY 51639143NIMAY 51869050NIMAY 286421381MAY 379110801MAY 486632052MAY 3944201P3MAY 434342483MAY 434340314MAY 364331376MAY 364331207MAY 214472428MAY 231490029MAY 3863400710MAY 3864100511MAY 3117801712MAY 3431100413MAY 4343100514MAY 2748223015MAY 4030904016MAY 4638333516MAY 4638308617MAY 4357618917MAY 4356601618MAY 3632203519MAY 4131101920MAY 2838208720MAY 5187300120MAY 4753402622MAY 3719615822MAY 3719600923MAY 2144723024MAY 2144722825MAY 3938310726MAY 3794401027MAY 2731310128MAY 2144707229MAY 4717301829MAY 4717302030MAY 2761850831MAY 3412305032MAY 3632203033MAY 6665540934MAY 3642603335MAY 3876601136MAY 3642603437MAY 3876501938MAY 2747930739MAY 3413101940MAY 5115101041MAY 4225505341MAY 3725420142MAY 3878105443MAY 3725722144MAY 4020114946MAY 2816106748NOT REQUIRED PART OR SEE NOTE FUSE (NOT REQUIRED)49MAY 4010100Y49MAY 4366705150MAY 3725717650MAY 3725726051MAY 3863407852MAY 3861702753MAY 3861403754MAY 4341416255MAY 21447253