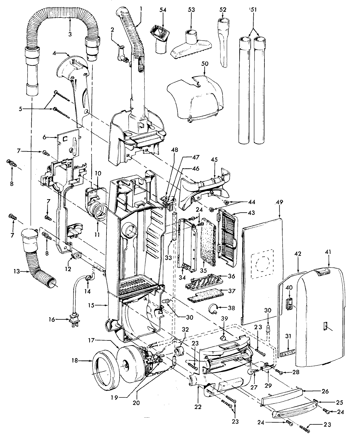
U5434900 02 – MOTOR, CLEANINGTOOLS, HANDLE, OUTERBAGadmin2025-04-26T08:51:22+00:00U5434900 02 – MOTOR, CLEANINGTOOLS, HANDLE, OUTERBAG ProductsPositionProductNINOT REQUIRED PART OR SEE NOTE FUSE (NOT REQUIRED)NIMAY 51639143NIMAY 37253392NIMAY 40200013NIMAY 51632001NIMAY 51632002NIMAY 51632003NIMAY 51869050NIMAY 012910--NIMAY 56511A35NIMAY 56511A67NIMAY 56511A901MAY 379110801MAY 486632052MAY 3944201P3MAY 434342483MAY 434340314MAY 364331114MAY 364331376MAY 364331207MAY 214472428MAY 2314900210MAY 3864100511MAY 3117801712MAY 3431100413MAY 4343100514MAY 2748223015MAY 3725501115MAY 4030904015MAY 3725502916MAY 4638333417MAY 4356601617MAY 4357618818MAY 3632203519MAY 4131101720MAY 4753402720MAY 5187300120MAY 2838208722MAY 3719600922MAY 3719615823MAY 2144723024MAY 2144722825MAY 3938310726MAY 3794401027MAY 2731310128MAY 2144707229MAY 4717302329MAY 4717302730MAY 2761850831MAY 3412305032MAY 3632203033MAY 6665540934MAY 3642603335MAY 3876601135MAY 4011000436MAY 3642603437MAY 3876501938MAY 2747930739MAY 3413101940MAY 5115101041MAY 4225509941MAY 3725422541MAY 4225503441MAY 4225506341MAY 4225511441MAY 4225508941MAY 4225509741MAY 4225511042MAY 3878105743MAY 3725722144MAY 4020114946MAY 4030903346MAY 2816106749MAY 4010100Y50MAY 3725726051MAY 3863407852MAY 3861702753MAY 3861401E54MAY 43414162