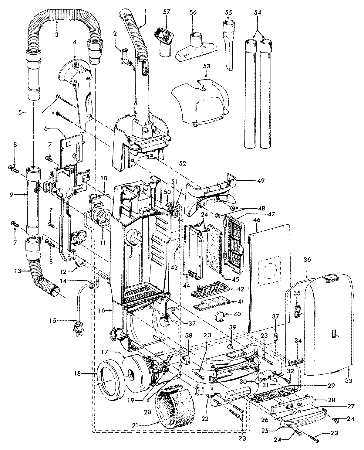
U5445900 02 – MOTOR, CLEANINGTOOLS, HANDLE, OUTERBAGadmin2025-04-26T08:51:00+00:00U5445900 02 – MOTOR, CLEANINGTOOLS, HANDLE, OUTERBAG ProductsPositionProductNIMAY 56511A96NIMAY 56511A35NIMAY 56511A90NIMAY 56511A67NIMAY 51869050NIMAY 51639143NIMAY 51632003NIMAY 57363003NIMAY 43434042NIMAY 012910--NIMAY 49129010NIMAY 56511A73NIMAY 27352032NIMAY 49811058NIMAY 434141421MAY 379110801MAY 486632052MAY 3944201P3MAY 434340314MAY 364331374MAY 364331116MAY 364331207MAY 214472428MAY 231490029MAY 4345702410MAY 4782300311MAY 3117801712MAY 3431100413MAY 4343100514MAY 2748223015MAY 4638333416MAY 3725502916MAY 4030904017MAY 4357618817MAY 4356601617MAY 3342600118MAY 3632203519MAY 4131101720MAY 5187300120MAY 2838208720MAY 4753402722MAY 3719615822MAY 3719600923MAY 2144723024MAY 2144722825MAY 3938310726MAY 2735203027MAY 2735203128MAY 4225800228MAY 4225800129MAY 4685103229MAY 4685103130MAY 2731310131MAY 4717302431MAY 4717302832MAY 2144707233MAY 4225510833MAY 4225508633MAY 3725417633MAY 4225505333MAY 4225507533MAY 4225508233MAY 4225509633MAY 4225509233MAY 4225508833MAY 4225508733MAY 4225510033MAY 4225506334MAY 3412305035MAY 5115101036MAY 3878105737MAY 2761850838MAY 3632203039MAY 3413101940MAY 2747930741MAY 3876501942MAY 3642603443MAY 6665540944MAY 3642603345MAY 3876600745MAY 4011000446MAY 4010100Y47MAY 3725722148MAY 4020114950NOT REQUIRED PART OR SEE NOTE FUSE (NOT REQUIRED)52MAY 2816106753MAY 3725726054MAY 3863407855MAY 3861702756MAY 3861401E57MAY 43414162