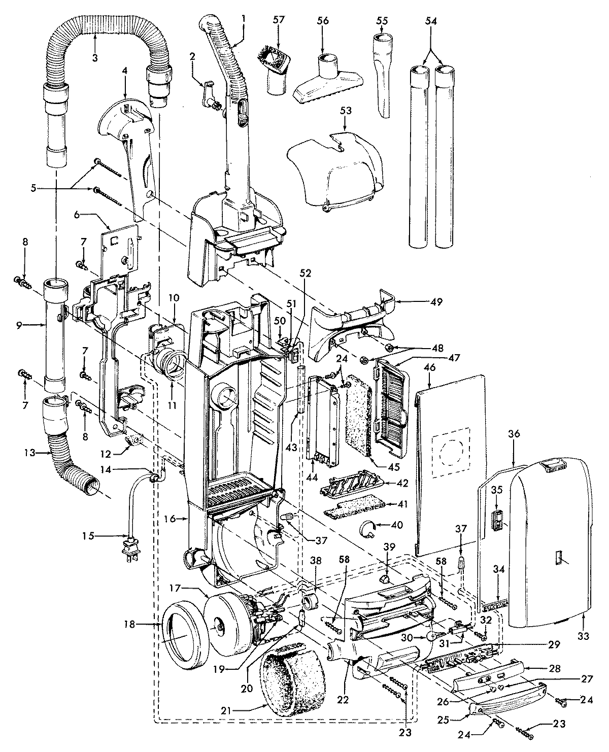
U5465909 02 – MOTOR ASSEMBLY, BAGHOUSING