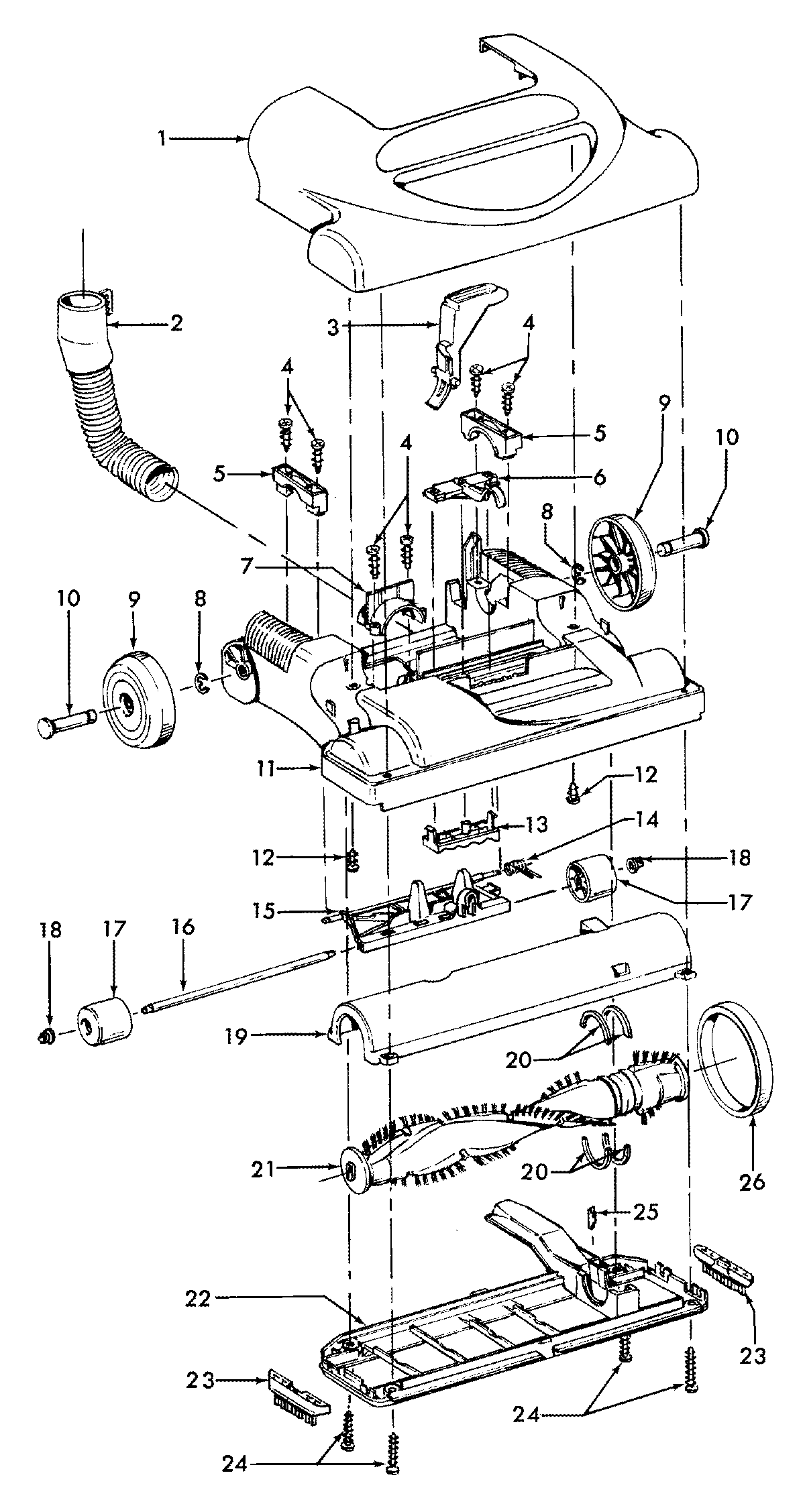
U5465916 01 – AGITATOR, MAINBODYadmin2025-04-26T08:51:02+00:00U5465916 01 – AGITATOR, MAINBODY ProductsPositionProduct1MAY 372532962MAY 434312153MAY 384580434MAY 214470725MAY 361310947MAY 361710448MAY 160017--9MAY 3852207710MAY 3243400811MAY 3724212512MAY 2144722813MAY 4030900414MAY 3835501015MAY 3643202716MAY 3254100317MAY 3852100418MAY 3613105619MAY 3724302220MAY 3878105321MAY 4841401722MAY 3724500923MAY 3951100424MAY 2144712125MAY 13261AY-26MAY 38528033