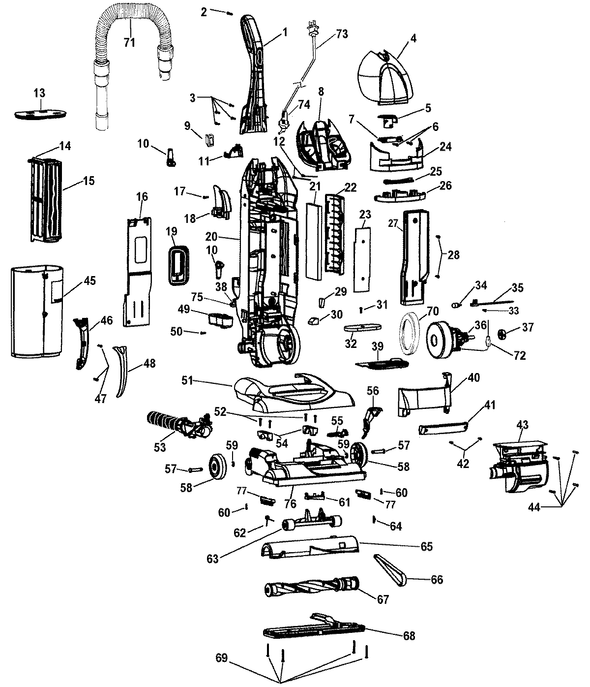
U5725900 01 – COMPLETE ASSEMBLYadmin2025-04-26T08:51:02+00:00U5725900 01 – COMPLETE ASSEMBLY ProductsPositionProductNIMAY 56511C12NIMAY 38614044NIMAY 38617031NIMAY 49129027NIMAY 38634078NIMAY 434141951MAY 394660692MAY 214472364MAY 372572545MAY 385620077MAY 361550138MAY 364331469MAY 2816106710MAY 3944201P11MAY 3692300412MAY 2144724613MAY 3724904214MAY 9200102515MAY 4014020116MAY 3725812118MAY 3643314819MAY 3878302720MAY 4225902721MAY 4011000621MAY 5736300322MAY 3725728923NOT REQUIRED PART OR SEE NOTE FUSE (NOT REQUIRED)24MAY 3725813725MAY 3725814326MAY 3856703027MAY 3725901629MAY 3413100930MAY 3413101932MAY 3876200834MAY 2731310135MAY 4717301636MAY 4357618837MAY 3632203039MAY 4361508840MAY 3794402341MAY 3938310743MAY 3719616044MAY 2144723045MAY 3877507746MAY 3945701847MAY 2144704348MAY 3945703349MAY 3643314750MAY 2144724251MAY 3725339052MAY 2144707253MAY 4351601054MAY 3613109456MAY 3845804357MAY 3243400858MAY 3852207759MAY 160017--60MAY 2144722861MAY 4030900462MAY 3835501063MAY 4324805764MAY 013261AY66MAY 3852803367MAY 4841411568MAY 4030902669MAY 2144712170MAY 3632203571MAY 4349105171MAY 2515652072MAY 2838209373MAY 4638333174MAY 3621502875MAY 3617103576MAY 3724212877MAY 39511004