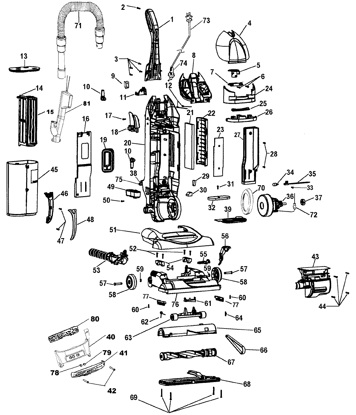
U5760900 01 – COMPLETE ASSEMBLYadmin2025-04-26T08:51:07+00:00U5760900 01 – COMPLETE ASSEMBLY ProductsPositionProductNIMAY 38634078NIMAY 43414195NIMAY 57363003NIMAY 38617031NIMAY 38614044NIMAY 49129027NIMAY 56511C191MAY 394660692MAY 214472364MAY 372572545MAY 920010247MAY 361550138MAY 364331469MAY 2816106710MAY 3944201P11MAY 3692300412MAY 2144724613MAY 3724904214MAY 9200102515MAY 4014020116MAY 3725812118MAY 3643314819MAY 3878302720MAY 4225902721MAY 4011000622MAY 3725728924MAY 3725816625MAY 3725816726MAY 3856703027MAY 3725901629MAY 3413100930MAY 3413101932MAY 3876200834MAY 2731310135MAY 4717302436MAY 4357618837MAY 3632203039MAY 4361508840MAY 3794402741MAY 3938310743MAY 3719616044MAY 2144723045MAY 3877507746MAY 3945701847MAY 2144704548MAY 3945703349MAY 3643314750MAY 2144724251MAY 3725339352MAY 2144707253MAY 4351601054MAY 3613109456MAY 3845804357MAY 3243400758MAY 3852207759MAY 160017--60MAY 2144722861MAY 4030900462MAY 3835501063MAY 9200102664NOT REQUIRED PART OR SEE NOTE FUSE (NOT REQUIRED)66MAY 3852803367MAY 4841411568MAY 4030902669MAY 2144712170MAY 3632203571MAY 4349105172MAY 2838209373MAY 4638333174MAY 3621502875MAY 3617103576MAY 3724212877MAY 3951100478MAY 2735203179MAY 2735203080MAY 4685103181MAY 43486014