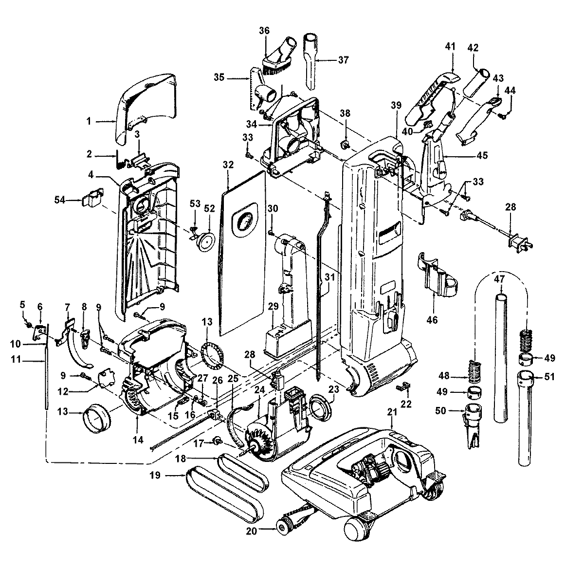
U6317930 02 – CLEANINGTOOLS, HANDLE, OUTERBAGadmin2025-04-26T08:51:10+00:00U6317930 02 – CLEANINGTOOLS, HANDLE, OUTERBAG ProductsPositionProductNIMAY 57363002NIMAY 58461026NIMAY 56511A06NIMAY 58314007NIMAY 58333014NIMAY 58334016NIMAY 58362005NIMAY 58366102NIMAY 58433006NIMAY 583850271MAY 372571712MAY 383550083MAY 361510134MAY 372571954MAY 372571964MAY 372571974MAY 372572014MAY 372570534MAY 372572235MAY 216415586MAY 361310887MAY 431430458MAY 385110279MAY 2144723010MAY 4321100911MAY 6666120312MAY 3719600613MAY 3851100214MAY 3719510315MAY 3878104216MAY 019555--17MAY 2318720018MAY 160147AG19MAY 3852800820MAY 4841401321NOT REQUIRED PART OR SEE NOTE FUSE (NOT REQUIRED)22MAY 3878104123MAY 3878401224MAY 4357610225MAY 3412304326MAY 4632800227MAY 3342300728MAY 4638802729MAY 3865602930MAY 2144700331MAY 3845803932MAY 4010075Z33MAY 2144707234MAY 3643310635MAY 3861402935MAY 3861403636MAY 4341414536MAY 4341414637MAY 3861702437MAY 3861702638MAY 2314900139MAY 3725501440MAY 3614200241MAY 3945804542MAY 3175400243MAY 3945801044MAY 2144704145MAY 3946600846MAY 3643310347MAY 3863407848MAY 4343409649MAY 3611601350MAY 3863805851MAY 3228602552MAY 3873300253MAY 5115100454MAY 3725714254MAY 35111004