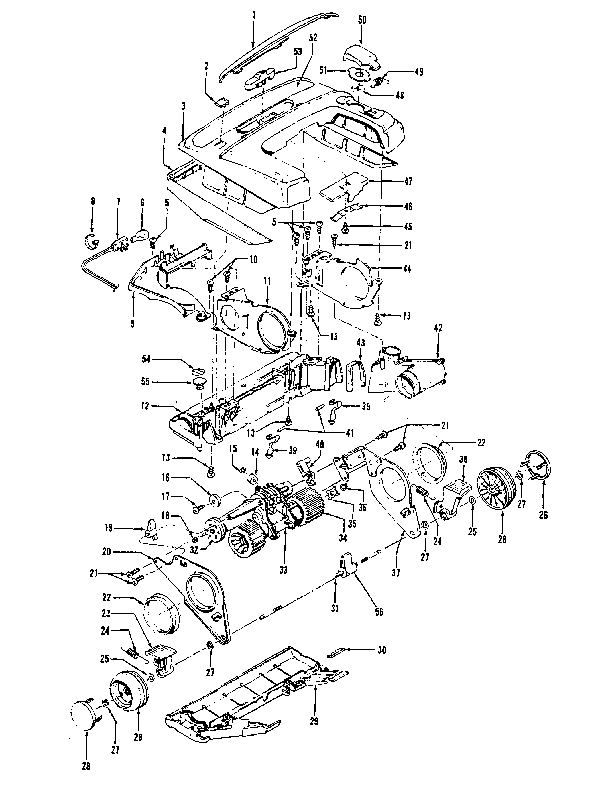
U6335930 03 – MAINBODYadmin2025-04-26T08:51:25+00:00U6335930 03 – MAINBODY ProductsPositionProduct1MAY 393830922MAY 372460072MAY 372460082MAY 393820082MAY 372460052MAY 372460043MAY 422523653MAY 422523863MAY 42252A053MAY 42252A213MAY 422523623MAY 422523664MAY 362350875MAY 214470036MAY 273131017MAY 463280028MAY 274793079MAY 3691200611MAY 3547601612MAY 4224613512MAY 4224613413MAY 2144701414MAY 3114201415MAY 163699--16MAY 3276100317MAY 2147978218MAY 160031--19MAY 3856201020MAY 3547601221MAY 017001FW22MAY 3215500423MAY 3845207124MAY 3833501425MAY 2131277226MAY 3791201327MAY 013730--28MAY 3852203229MAY 3724508730MAY 3412201931MAY 3254700232MAY 3853700133MAY 4312401334MAY 163340AG35MAY 160040AY36MAY 160014--37MAY 4196700438MAY 3845205939MAY 3478800140MAY 3856201341MAY 3152201642MAY 4348600543MAY 3412300344MAY 3547602745MAY 2144720346MAY 3475100247MAY 3856301848MAY 2136200649MAY 3835101650MAY 3725719150MAY 3725719250MAY 3725719350MAY 3725720250MAY 3725719050MAY 3725719451MAY 3878405752MAY 5211520152MAY 5211520052MAY 5211520552MAY 5211520253MAY 3842108654MAY 5161900455MAY 3237300156MAY 38452053