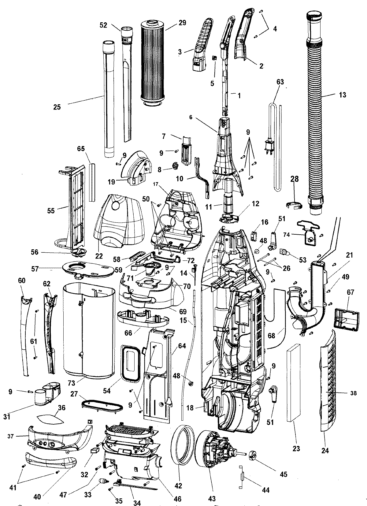
U6617900 03 – UPPER ASSEMBLYadmin2025-04-26T08:50:57+00:00U6617900 03 – UPPER ASSEMBLY ProductsPositionProductNINOT REQUIRED PART OR SEE NOTE FUSE (NOT REQUIRED)NIMAY 49129018NIMAY 43414195NIMAY 56511B64NIMAY 386140441MAY 385120012MAY 394540683MAY 394540715MAY 361420046MAY 394660537MAY 372581198MAY 384210989MAY 2144724210MAY 3845806211MAY 3643601412MAY 3692301213MAY 4343426714MAY 4321101915MAY 6666120516MAY 2816106717MAY 3643315718MAY 3725901019MAY 3643315921MAY 4782300622MAY 3725726923MAY 4011000624MAY 3876900725MAY 3863407826MAY 2144724627MAY 3878501728MAY 3617201429MAY 4014020131MAY 3643315832MAY 3413101933MAY 2731310134MAY 4717302336MAY 5163701137MAY 3724614338MAY 5163200740MAY 3938311541MAY 2144722842MAY 3632203543MAY 4357619144MAY 2838209345MAY 3632203046MAY 3719615547MAY 2144723048MAY 2314900149MAY 2144726650MAY 2144707251MAY 3944201P52MAY 3861702953MAY 3621502854MAY 3878302855MAY 3642605156MAY 3841101057MAY 3724901158MAY 3951100459MAY 3613111160MAY 3945704061MAY 2144704362MAY 3945702263MAY 4638333164MAY 3725901765MAY 9200103366MAY 3856704167MAY 3725501568MAY 3878106069MAY 3725816570MAY 3615501371MAY 3856200772MAY 3725816473MAY 3877508474MAY 37259018