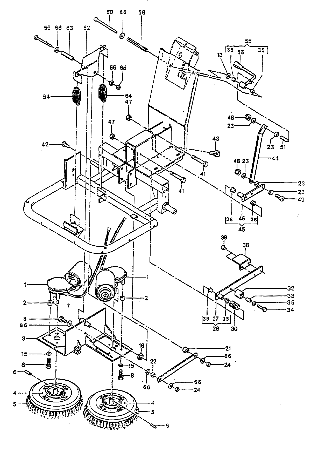
U7049— 03 – HANDLE