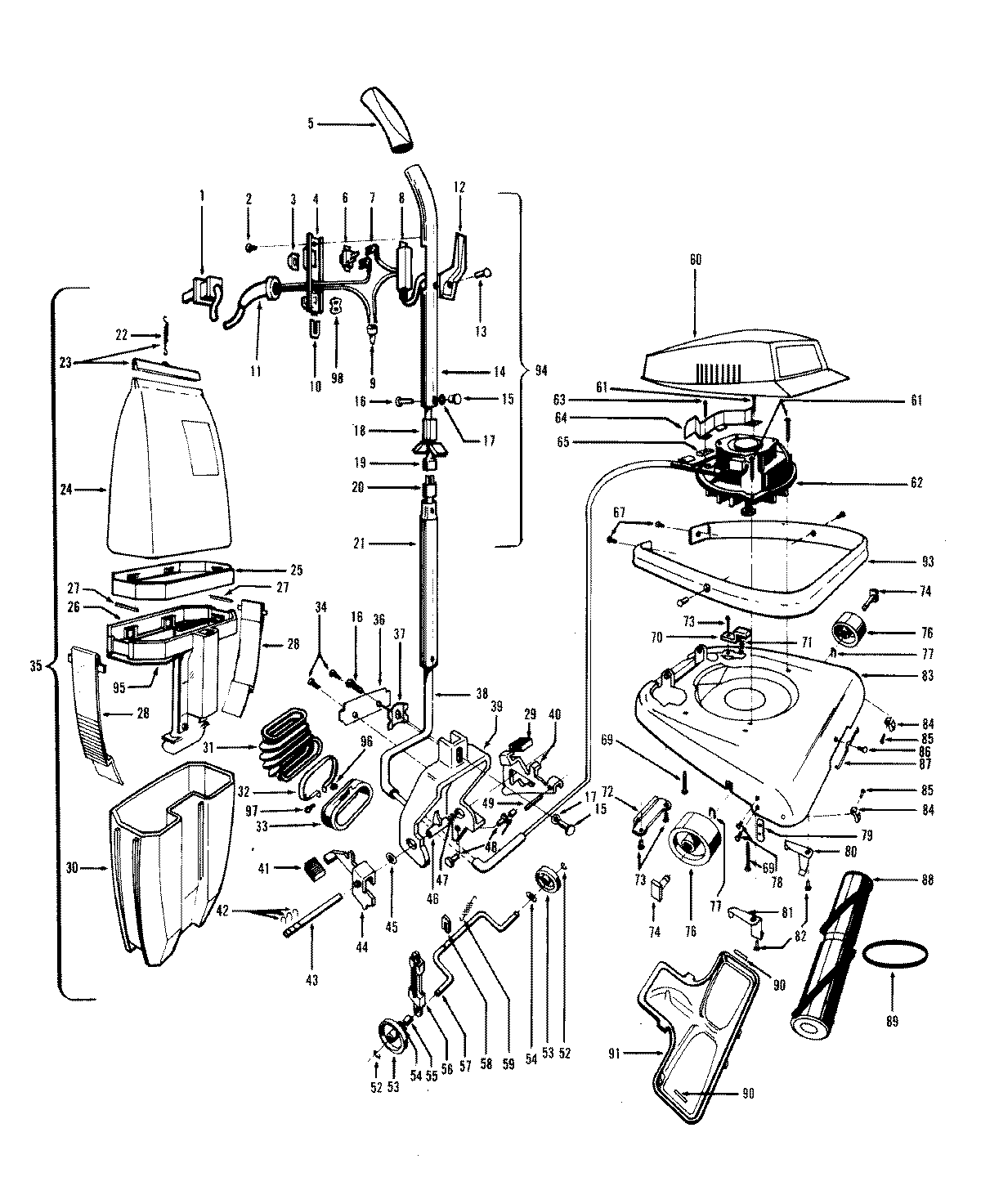
U7063— 03 – HANDLE, MAINBODY, OUTERBAG, HOODadmin2025-04-26T08:51:08+00:00U7063— 03 – HANDLE, MAINBODY, OUTERBAG, HOOD ProductsPositionProduct1MAY 463231222MAY 214653143MAY 384210124MAY 372581105MAY 023458LY6MAY 281770KD7MAY 276667028MAY 372140709MAY 048969--10MAY 3425301011MAY 3621600212MAY 3944101613MAY 2125609414MAY 4864404115MAY 3227702116MAY 2163130117MAY 013704--18MAY 3691300719MAY 4715500520MAY 4632103321MAY 3228401822MAY 3833500923MAY 4142402524MAY 4366704025MAY 3517300126MAY 4142700627MAY 3411201528MAY 3615501129MAY 3842608030MAY 3877500131MAY 3867300132MAY 3642502332MAY 049044--33MAY 4142401134MAY 2148127335MAY 4367503136MAY 3795400137MAY 3546301138MAY 3172802239MAY 4141603840MAY 4313704741MAY 3842607143MAY 161509AY44MAY 161571JM45MAY 161507--46MAY 019907--47MAY 048409FW48MAY 011735--49MAY 047450AY52MAY 017207AZ53MAY 3852104154MAY 2131277255MAY 3114800456MAY 161514--57MAY 3315200358MAY 3425200559MAY 161513--60MAY 4225132561MAY 045355--62MAY 4357419363MAY 014279--64MAY 3543701067MAY 3224200469MAY 2144702070MAY 3466500771MAY 012559FW72MAY 3543404073MAY 2176708274MAY 047457AY76MAY 34791AG-77MAY 013730--78MAY 048422-79MAY 3435500280MAY 3544600581MAY 3544600382MAY 012456--83MAY 4224206484MAY 047259AY85MAY 3224300186MAY 161882--87MAY 034439--88MAY 4143500589MAY 44783AG-90MAY 3411100191MAY 4224600893MAY 3623103694MAY 4864404395MAY 3412302096MAY 015854EF97MAY 017206--98MAY 018676--