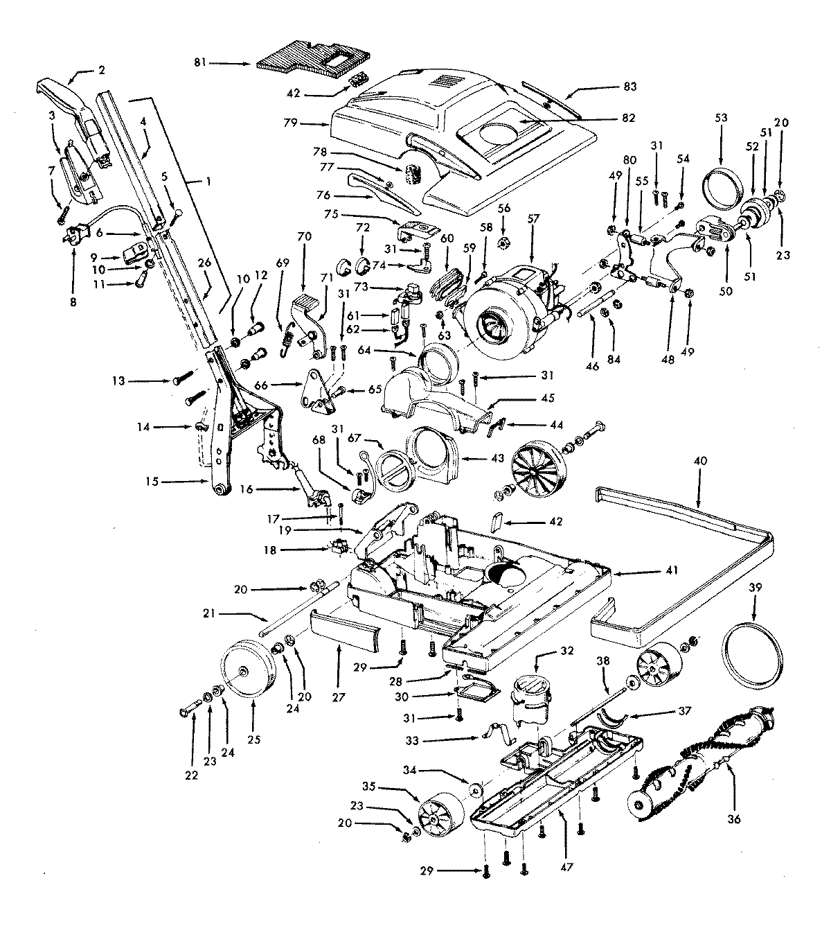
U7071040 03 – HANDLE, MAINBODY, HOODadmin2025-04-26T08:51:09+00:00U7071040 03 – HANDLE, MAINBODY, HOOD ProductsPositionProduct2MAY 394540603MAY 394420175MAY 216313016MAY 362150257MAY 214472158MAY 463831939MAY 3617204010MAY 013704--11MAY 3227702112MAY 3227700813MAY 2183102414MAY 3617201515MAY 4141602216MAY 3621600817MAY 2144707418MAY 2768400219MAY 4225610620MAY 160017--21MAY 3256300922MAY 3251200123MAY 163110--24MAY 162143--25MAY 3852203626MAY 4863114927MAY 3623108428MAY 3412201929MAY 2144701230MAY 3512100131MAY 2144700332MAY 3643600533MAY 3838100534MAY 2131275435MAY 3852203436MAY 4841603637MAY 3878100838MAY 3254300539MAY 3852801340MAY 4121100641MAY 3724111542MAY 3414100543MAY 4111900844MAY 3425301345MAY 3865702046MAY 3153400147MAY 3724506448MAY 3632100649MAY 2185215850MAY 4325600751MAY 3115800852MAY 4325600253MAY 3852803654MAY 017001FW55MAY 3272401056MAY 2165200557MAY 4357605957MAY 4357410658MAY 2176514059MAY 3479700860MAY 3867100861MAY 162961--62MAY 163055--63MAY 015854EF64MAY 3867100565MAY 3221500266MAY 3521400967MAY 3725707468MAY 2747861169MAY 3833500870MAY 3842603071MAY 4315100672MAY 2747930773MAY 2821200974MAY 3617103075MAY 3842604776MAY 3622201777MAY 2136410278MAY 3116400479MAY 3725201080MAY 3632100281MAY 3878300582MAY 5135300283MAY 3622201284MAY 013730--