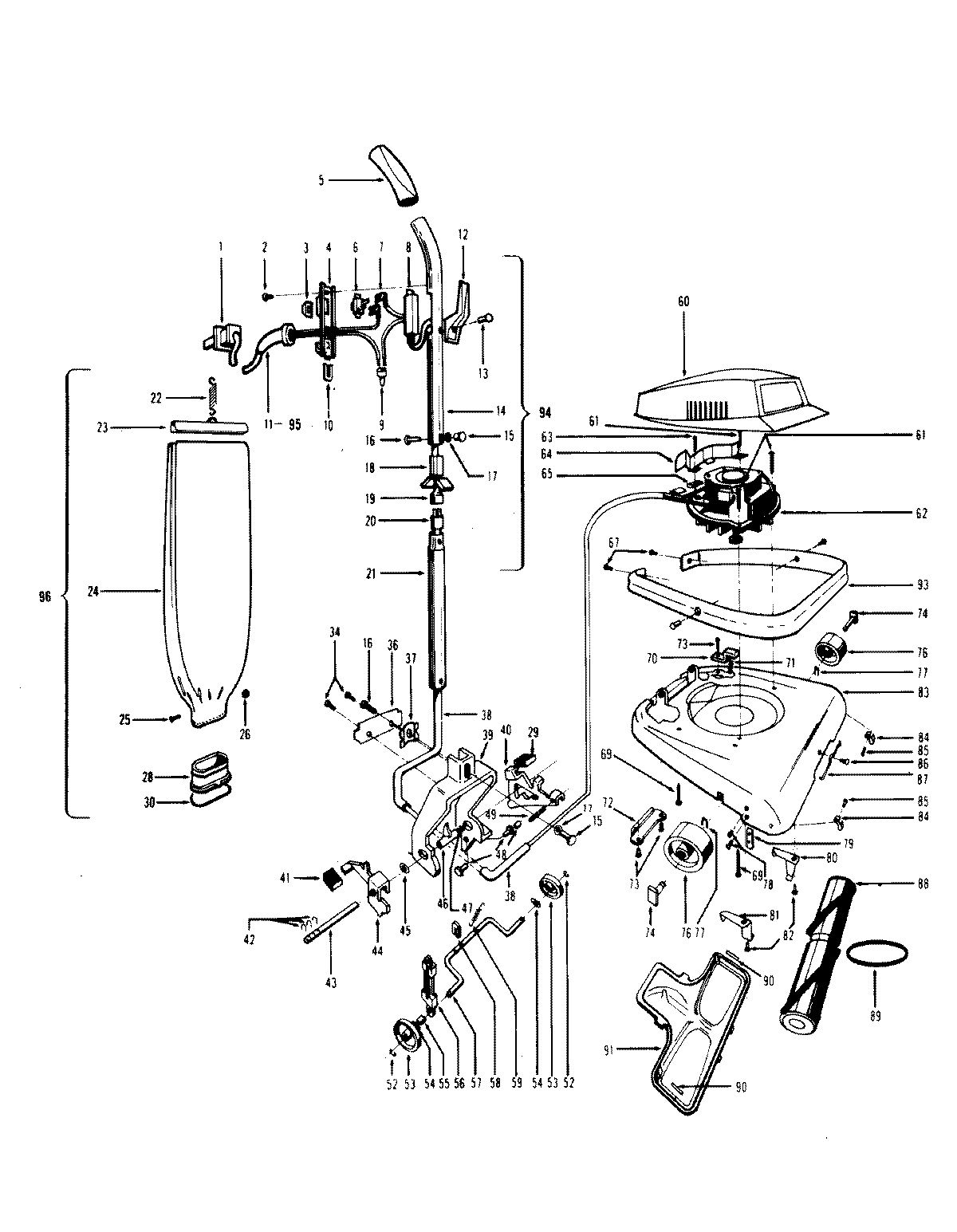
U7077— 05 – MAINBODY, OUTERBAG, HOOD