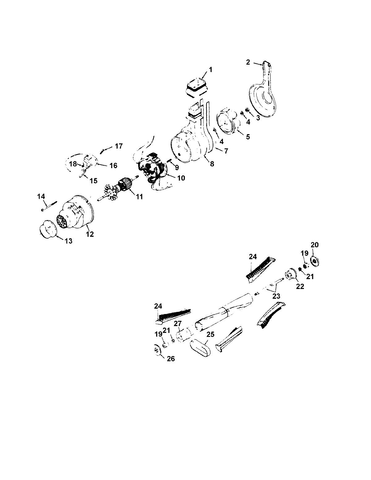
U7097— 01 – AGITATOR, MOTOR ASSEMBLYadmin2025-04-26T08:51:19+00:00U7097— 01 – AGITATOR, MOTOR ASSEMBLY ProductsPositionProduct1MAY 387850022MAY 387360153MAY 334260014MAY 166563--5MAY 387550037MAY 548210018MAY 435880019MAY 012854--10MAY 4531203211MAY 4476506512MAY 4219300413MAY 3216200314MAY 2147957315MAY 4731501016MAY 4731800817MAY 2147930218MAY 3835300419MAY 4841400919MAY 4326700220MAY 4143503021MAY 2134700322MAY 3642200123MAY 160070-24MAY 4844501925MAY 3852800826MAY 4143502527MAY 38537002