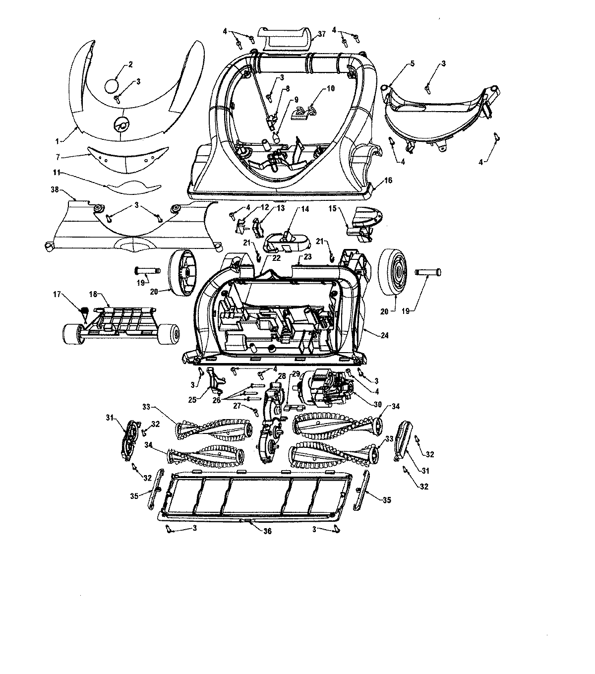
U8157900 01 – FOOT ASSEMBLY