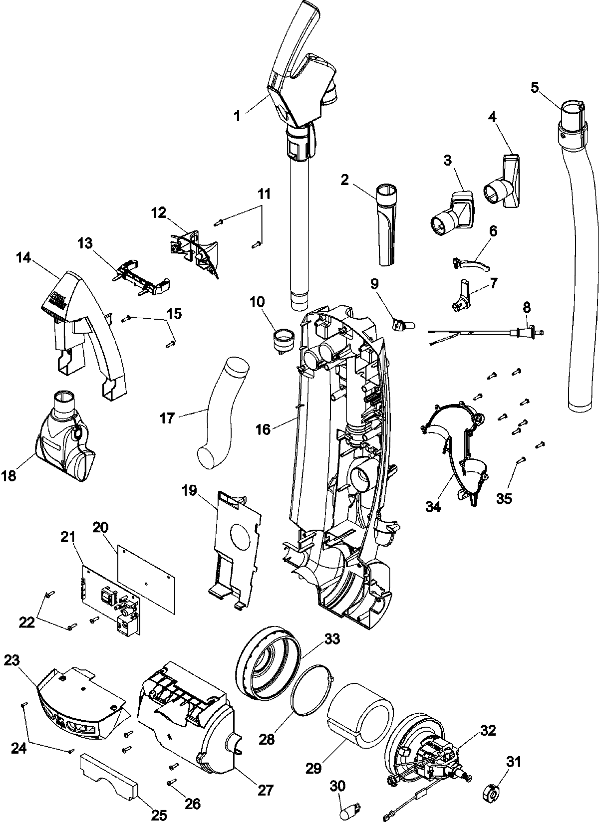
U8347900 04 – UPPER HOUSING ASSEMBLYadmin2025-04-26T08:51:08+00:00U8347900 04 – UPPER HOUSING ASSEMBLY ProductsPositionProductNIMAY 56511C48NIMAY 910011621MAY 910011842MAY 920011943MAY 920011954MAY 920011965MAY 910011606MAY 910011177MAY 910011538MAY 463833319MAY 3621502810MAY 9200129012MAY 9100112113MAY 9100113914MAY 9100115416MAY 9200129117MAY 9100117718MAY 9100118519MAY 9100111320MAY 9100112321MAY 9100116423MAY 9100115024MAY 2144722825MAY 3876903227MAY 9100112528MAY 9100117829MAY 9100115230MAY 2731310731MAY 3632203032MAY 9100110833MAY 9100114834MAY 9100114135MAY 21447242