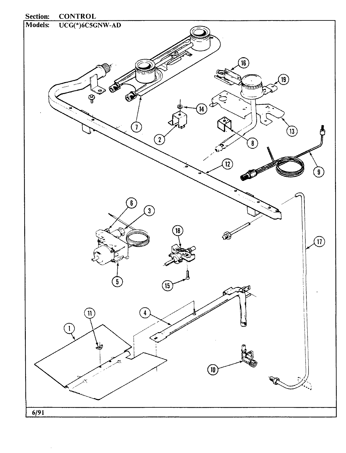
UCGW6C5GNW-AD 03 – CONTROLSadmin2025-04-26T08:51:19+00:00UCGW6C5GNW-AD 03 – CONTROLS ProductsPositionProduct1MAY 3601F101-452MAY 3807F204-343MAY 1555258K4MAY 7505P076-605MAY 7515P004-606MAY 15552227MAY 3412A004-238MAY 3807F069-349MAY 7506P073-609MAY 7505P071-6010MAY 7507P021-6011NUT, WING12MAY 7513P053-6013MAY 3807F230-3414MAY 7103P070-6015MAY 7101P043-6016MAY 7506P020-6017MAY 7506P011-6017MAY 3414F053-4418MAY 7502P029-6018MAY 7502P014-6019MAY 7505P001-60