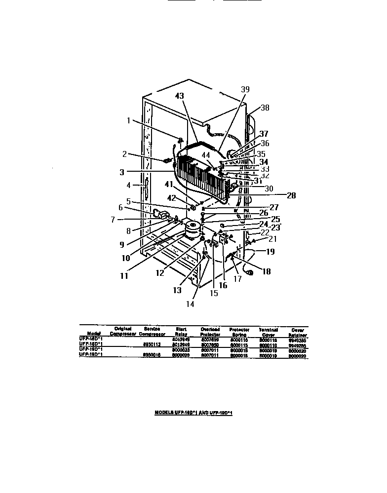
UFE16DL1 13 – COMPRESSOR, EVAPORATOR, ELECTRICALadmin2025-04-26T11:38:26+00:00UFE16DL1 13 – COMPRESSOR, EVAPORATOR, ELECTRICAL ProductsPositionProduct1WCI 65995382WCI 65995323WCI 65995354WCI 65947405WCI 801319812WCI 800268115WCI 62851516WCI 659954117WCI 800044018CLAMP, WIRING19CORD, ELECTRICAL SERVICE (INCL. CABINET WIRING HARNESS)19CORD, ELECTRICAL SERVICE (INCL. CABINET WIRING HARNESS)21WCI 659954022WCI 800002723WCI 659453824WCI 587855625WCI 659452926WCI 800267927WCI 659953628WCI 800518628WCI 801320030WCI 659953131WCI 587856232WCI 800045533WCI 659465334BRACKET, CONTROL35WCI 659341736INSULATION, DRAIN TUBE37WCI 659462938CONDENSER, EXTERNAL39WCI 800072839WCI 800044641WCI 659954442WCI 659954643WCI 659462544SCREW GROUND