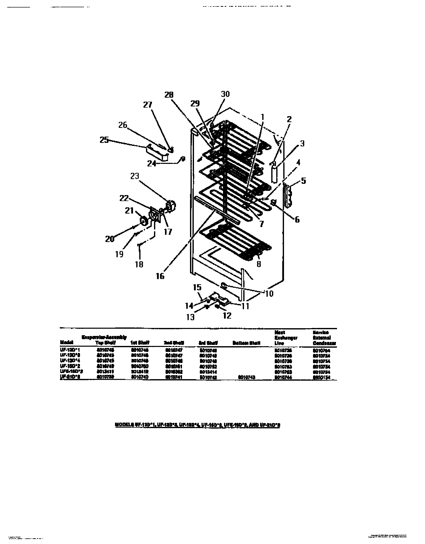
UFP19DL2 07 – INTERIOR CABINET (CONVENTIONAL MODEadmin2025-04-26T10:58:51+00:00UFP19DL2 07 – INTERIOR CABINET (CONVENTIONAL MODE ProductsPositionProduct*52960WCI 80163751WCI 65934173WCI 99508374TUBE5CONDENSER5WCI 89501546PEG, L. FRONT (3)6PEG, R. FRONT (3)6PEG, REAR (6)7WCI 659466210BUZZER11BRACKET, ALARM MOUNTING12WCI 801637413SWITCH14WCI 800270615WCI 801659416TRIM (3)16WCI 995085116TRIM, SHELF FRONT (4)17SHIELD18WCI 994972119WCI 800353920WCI 995085321WCI 801636422WCI 801637023WCI 801635123WCI 801638824WCI 994878125WCI 260102527WCI 995084928WCI 801344629SPACER (2)30SPACER, REAR