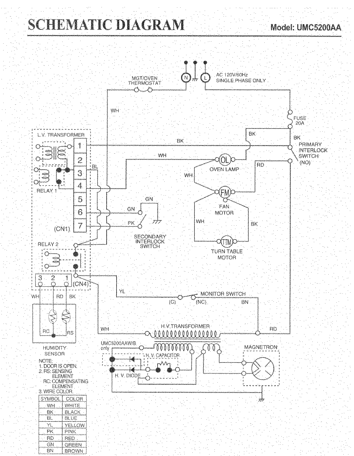
UMC5200AAQ 07 – WIRING INFORMATIONadmin2025-04-26T08:51:20+00:00UMC5200AAQ 07 – WIRING INFORMATION ProductsPositionProduct1MAY 15003477